珀金斯Perkins4008柴油發動機發電機SE152A/1搖臂室
序號 零配件號碼 近期零配件號碼 描述
1 SE152A/1 8 SE152A/1 搖臂室
1 SE152A/1 12 SE152A/1 搖臂室
2 55/69 16 55/69 SPIROL 銷
2 55/69 24 55/69 SPIROL 銷
3 314139 8 503/299 CAPSCREW
4 317015 8 317015 螺帽
4 319/148 12 319/148 螺帽
5 SE152E/26 8 SE152E/26 搖臂室墊片
5 SE152E/26 12 SE152E/26 搖臂室墊片
6 SE153A/2 8 SE153E/2 填補
6 SE153E/2 12 SE153E/2 填補
7 SE483H 8 SE483Q 桿
7 SE483Q 12 SE483Q 桿
13 317012 8 317012 螺帽
13 317012 12 317012 螺帽
14 318210 8 318210 彈簧墊片
14 318210 12 318210 彈簧墊片
15 318012 8 318012 墊圈
15 318012 12 318012 墊圈
16 314086 24 314086 CAPSCREW
16 314086 36 314086 CAPSCREW
17 318012 24 318012 墊圈
17 318012 36 318012 墊圈
18 SE1520M 8 SE1520M 搖桿軸組合
18 SEV1520M 12 SEV1520M 搖桿軸組合

序號 零配件號碼 近期零配件號碼 描述
8 SE483C/5 1 SE483C/5 托架
9 SE483U/4 1 SE483U/4 桿
10 SE483V/4 1 SE483Q 桿
11 348/174 1 348/174 銷
12 536/23 1 536/23 搖桿軸彈簧

序號 零配件號碼 近期零配件號碼 描述
19 SE152P 1 SE152P 搖臂軸
21 SE152N 1 SE152N 搖臂組合
24 SE152R 1 SE152R 搖臂組合
30 SE152M 1 SE152M 搖臂組合
33 SE152A/24 1 SE152A/24 結軸塊

序號 零配件號碼 近期零配件號碼 描述
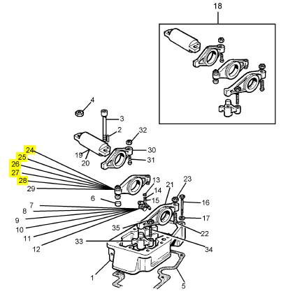
24 1 搖桿
25 SE152D/5 1 SE152D/5 調整具
26 SE153B/3 1 SE153B/3 端
27 355900 1 355900 堵塞
28 319/146 1 319/147 鎖緊螺母 塊

溫馨提示
我司建立了一套完整的英國Perkins零配件供應體系,全天候快速響應,純正的Perkins配件是您最佳的選擇,因為您所得到的是延長Perkins動力系統壽命的最佳保證。
網頁中公布的Perkins發動機配件號與圖片僅為參考,因 Perkins動力系統零配件型號與技術參數太多,沒能全部展示,如有配件與維修技術資料方面的需求,請與本司的在線客服溝通與交流,希望我們能夠幫您節約更多等待備件時間和維修技術方面的困難。
特別聲明:我司只銷售Perkins原廠配件,需付廠或防品件請繞道,謝謝。