Perkins1103/1104柴油發動機水泵-拆卸
Perkins1103/1104柴油發動機水泵拆卸方法與步驟
a.拆下風扇。請參閱本《Perkins1103/1104柴油發動機解體和組裝手冊》,“風扇-拆卸和安裝”。
1.將冷卻系統的冷卻液排入適當的容器中,以便保存或處理。
2.松開卡箍,從水泵進口上卸下軟管。

3.拆下將水泵(4)緊固至前殼體(1)上的調整螺釘(3)。
4.如有必要,使用軟錘輕敲水泵(4)來松開水泵。
5.拆下水泵(4)。從前齒輪室(1)與水泵(4)上拆下接頭(2)。棄置接頭(1)。
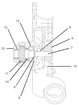
水泵-拆解
拆卸方法與步驟
a.拆下水泵。請參閱本《Perkins1103/1104柴油發動機解體和組裝手冊》,“水泵-拆卸和安裝”。

1.從水泵(3)的機蓋(2)上拆下調整螺釘(1)。拆下機蓋(2)和水泵(3)之間的接頭。棄置接頭。

2.在葉輪(4)中現有的孔之間,鉆十二個6.35mm(0.25in)的孔。從葉輪(4)上分解零件,以便將一個合適的拉拔器(5)的兩條支腿安裝到葉輪上。用合適的拉拔器(5),拆下葉輪(4)。

3.在冷卻液密封件(6)上鉆三個等距的3.175mm(0.125in)的孔。應將孔穿透朝向葉輪(4)的冷卻液密封件(6)的表面。將三個25.4mm(1.00in)長的自攻螺釘插入到鉆孔中。將一個合適的桿插到水泵(3)的冷卻液進口中。在自攻螺釘的下面使用合適的桿,以便均衡地拉出冷卻液密封件(6),使其與軸(7)脫離。必要時,用一個合適的拉拔器從該軸拔出冷卻液密封件的中心套管。
4.拆下外彈性擋圈(8)并且丟掉它。拆下內彈性擋圈(9)并且丟掉它。
5.在一個合適的支架上支撐起水泵(3)殼體的機加工平面(10)。按壓軸(7)直至齒輪(11)和軸承(12)從軸上脫離。丟掉軸(7)和軸承(12)。通過水泵(3)殼體的側面,拆下齒輪(11)。
6.在一個合適的支架上支撐起水泵(3)殼體的機加工平面(13)。在油封(14)上插入一個合適的心軸,并且將油封壓出水泵(3)的殼體。油封脫離殼體之后,可以通過水泵(3)殼體的側面拆下油封(14)。棄置油封(14)。
7.使用一個合適的心軸將滾針軸承(15)從水泵(3)殼體中壓出來。棄置滾針軸承(15)。
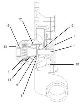
Perkins1103/1104柴油發動機水泵-組裝
Perkins1103/1104柴油發動機水泵組裝步驟


1.徹底地清潔水泵(3)的殼體內部。確保軸承(12和15)的孔以及冷卻液密封件(6)是清潔和無腐蝕的。
2.檢查齒輪(11)是否有任何磨損和/或損壞。必要時,更換齒輪(11)。
3.支撐起水泵(3)殼體的機加工平面(13)。使用一個合適的心軸和適當的壓床將一個新的油封(14)壓到水泵(3)的殼體里。當油封下表面跟油封凹口下表面平齊的時候,停止將油封(14)壓入殼體的操作。
4.通過水泵(3)殼體的側面安裝齒輪(11)。使用一個適當的接頭,通過油封(14)將軸(7)按壓到齒輪(11)里。不斷向齒輪(11)里按壓軸(7),直至齒輪和水泵(3)殼體內部齒輪的殼體頂部之間有一個1.5mm(0.060in)的間隙。
5.使用一個合適的接頭,以便將軸承(12)按壓到軸承凹口臺肩的位置。
6.將一個新的彈性擋圈(8)安裝到水泵(3)殼體的凹口里。將一個新的彈性擋圈(9)安裝到軸(7)的凹口里。一定要正確地安裝兩個彈性擋圈(8和9)。
7.在一個合適的支架上支撐起水泵(3)殼體的機加工平面(10)。將滾針軸承(15)壓入軸承殼。不斷向殼體內按壓滾針軸承(15),直至滾針軸承跟殼體頂面平齊或者滾針軸承在殼體頂面之下最多只有0.5mm(0.020in)。
8.在一個合適的支架上支撐起水泵(3)殼體的機加工平面(13)。
注:避免用手接觸到冷卻液密封件(6)。冷卻液密封件(6)不得沾染上油或者潤滑脂。必須只能接觸和/或固定冷卻液密封件(6)的外法蘭盤邊緣。

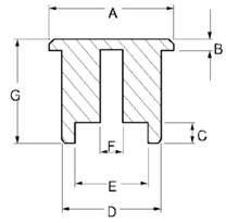
9.制造一個合適的工具,以便將新的冷卻液密封件(6)按壓到位。應按照圖例109和表10中顯示的尺寸制作工具。

10.將新的冷卻液密封件(6)安裝到軸(7)上,冷卻液密封件的最大直徑應朝著軸承(12)的方向。將冷卻液密封件(6)推到軸(7)上,直至冷卻液密封件接觸到冷卻液密封件的沉孔為止。一定要使冷卻液密封件(6)和沉孔平直配合。使用一個合適的接頭,以便將冷卻液密封件(6)按壓到沉孔里,直至冷卻液密封件的外法蘭盤接觸到水泵(3)的泵體。在冷卻液密封件(10)上保持壓力大約10秒鐘時間,以便確保冷卻液密封件處于就位狀態。
11.將葉輪(4)按壓到軸(7)上,直至葉輪頂部跟軸的頂部平齊。
12.將一個用于機蓋(2)的新接頭安裝到水泵(3)的泵體上。將機蓋(2)安裝到水泵(3)上。
13.安裝調整螺釘(1)。將調整螺釘(1)擰緊至扭矩為22N·m(16lbft)。
a.安裝水泵。請參閱本《Perkins1103/1104柴油發動機解體和組裝手冊》,“水泵-拆卸和安裝”。