Perkins1103/1104柴油發動機齒輪總成(前)-拆卸
Perkins1103/1104柴油發動機齒輪總成拆卸方法與步驟

a.卸下殼體(前)蓋。請參閱本《Perkins1103/1104柴油發動機解體和組裝手冊》,“殼體(前)蓋-拆卸和安裝”。

典型示例(Delphi燃油泵驅動齒輪)
注:必須小心操作,確保在噴油泵和/或噴油泵齒輪的拆卸過程中不會改變噴油泵正時。仔細地遵照相應的說明,拆卸噴油泵和/或噴油泵齒輪。
注:如有必要,拆卸預熱塞以使曲軸更自如地轉動。請參閱本《Perkins1103/1104柴油發動機解體和組裝手冊》,“預熱塞-拆卸和安裝”。
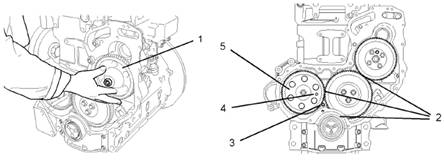
1.將曲軸轉動至上止點。請參閱《Perkins1103/1104柴油發動機測試和調整手冊》,“確定1號活塞的上止點位置”。用手逆時針方向向噴油泵齒輪(1)施加足夠的壓力來消除齒輪的齒隙(2)。標記每個齒輪的方位以便于安裝。
注:正時銷用于在上止點對發動機正時。正時銷是一個開口銷。不要用過大的力安裝正時銷。不要在維修期間用正時銷鎖定發動機。
2.將27610211曲軸正時銷(3)穿過殼體(前),插入曲軸連接臂。將27610212凸輪軸正時銷(4)穿過凸輪軸齒輪(5),插入殼體(前)。
3.拆卸搖臂軸。請參閱本《Perkins1103/1104柴油發動機解體和組裝手冊》,“搖臂軸和推桿-拆卸”。
注:繼續下一步前,必須鎖定噴油泵。
注:Perkins三缸發動機可以配備DelphiDP210或DelphiDPG噴油泵。
注:Perkins四缸發動機可以配備DelphiDP210、DelphiDPA或BoschEPVE噴油泵。不同類型的噴油泵用不同的步驟鎖定噴油泵軸。

僅限于Perkins四缸發動機
4.為了鎖定BoschEPVE噴油泵,松開鎖緊螺釘(6)并拆下墊圈(7)。將鎖緊螺釘(6)擰緊至扭矩31N·m(23lbft)。

三缸和Perkins四缸發動機
5.為了鎖定DelphiDP210噴油泵,松開鎖緊螺釘(8)并移動墊圈(9)。確保此時墊圈(9)可繞鎖緊螺釘(8)轉動,并將鎖緊螺釘擰緊至扭矩17N·m(12lbft)。

6.松開螺母(10)。將帶有兩個支腿的適當的拉拔器(11)穿過兩個孔(12)安裝到噴油泵齒輪(1)中。擰緊拉拔器(11)以從噴油泵處松開齒輪(1)。拆卸螺母(10)、齒輪(1)和拉拔器(11)。
7.拆卸凸輪軸齒輪(5)。請參閱本《Perkins1103/1104柴油發動機解體和組裝手冊》,“凸輪軸齒輪-拆卸和安裝”。
8.拆下惰輪齒輪(13)。請參閱本《Perkins1103/1104柴油發動機解體和組裝手冊》,“惰齒輪-拆卸和安裝”。
9.如有必要,卸下曲軸齒輪。請參閱本《Perkins1103/1104柴油發動機解體和組裝手冊》,“曲軸齒輪-拆卸和安裝”。
Perkins1103/1104柴油發動機齒輪總成(前)-安裝
Perkins1103/1104柴油發動機齒輪總成安裝方法與步驟

注:在本步驟指示解鎖噴油泵軸之前噴油泵軸必須保持在鎖定位置。
1.如有必要,安裝曲軸齒輪。請參閱本《Perkins1103/1104柴油發動機解體和組裝手冊》,“曲軸齒輪-拆卸和安裝”。
2.徹底清潔前殼體。
3.徹底清潔并檢查前齒輪總成的所有部件。如有必要,更換前齒輪總成所有磨損和/或損壞的部件。
4.確保1號活塞仍然處在上止點。請參閱《Perkins1103/1104柴油發動機測試和調整手冊》,“確定1號活塞的上止點位置”。

Perkins1103/1104柴油發動機齒輪總成典型示例(Delphi噴油泵驅動齒輪)
5.安裝凸輪軸齒輪(1)。請參閱本《Perkins1103/1104柴油發動機解體和組裝手冊》,“凸輪軸齒輪-拆卸和安裝”。
6.安裝惰齒輪(2)。請參閱本《Perkins1103/1104柴油發動機解體和組裝手冊》,“惰齒輪-拆卸和安裝”。
7.確保惰齒輪(2)與凸輪軸齒輪(1)正確嚙合。

Perkins1103/1104柴油發動機齒輪總成典型示例(Bosch噴油泵驅動齒輪)
8.將噴油泵齒輪(3)安裝到噴油泵軸上。確保噴油泵齒輪(3)與惰齒輪(2)正確嚙合。安裝墊圈和螺母(6)并用手擰緊。
9.在逆時針方向用手向噴油泵齒輪(3)施加壓力,以消除齒輪(1)、(2)和(3)的齒隙。擰緊螺母(6)至扭矩為24N·m(18lbft)。
10.確保對準齒輪(1)、(2)和(3)上的所有正時標記。
注:Perkins三缸發動機可以配備DelphiDP210或DelphiDPG噴油泵。
注:Perkins四缸發動機可以配備DelphiDP210、DelphiDPA或BoschEPVE噴油泵。不同類型的噴油泵用不同的步驟鎖定噴油泵軸。

僅限于Perkins四缸發動機
11.松開鎖定的噴油泵軸。為了解鎖BoschEPVE噴油泵軸,松開鎖緊螺釘(7)并安裝墊圈(8)。以(12N·m)7lbft(扭矩擰緊鎖緊螺釘)9,使其抵到墊圈(8)上。

三缸和Perkins四缸發動機
12.為了解鎖DelphiDP210噴油泵軸,松開鎖緊螺釘(9)并移動墊圈(10)。以12N·m(9lbft)扭矩擰緊鎖緊螺釘(9),使其抵到墊圈(10)上。
13.擰緊螺母(6)至增大的扭矩90N·m(66lbft)。請參考圖160。
14.拆卸正時銷(4)和(5)。請參考圖159。
15.檢查噴油泵齒輪(3)的齒隙值。更多信息,請參閱《技術參數手冊》,“前齒輪總成”。
16.檢查惰齒輪(2)的軸向間隙。請參閱本《Perkins1103/1104柴油發動機解體和組裝手冊》,“惰齒輪-拆卸和安裝”以及《技術參數手冊》,“前齒輪總成”,了解更多信息。
17.檢查惰齒輪(2)的齒隙值。請參閱本《Perkins1103/1104柴油發動機解體和組裝手冊》,“惰齒輪-拆卸和安裝”以及《技術參數手冊》,“前齒輪總成”,了解更多信息。
18.檢查凸輪軸齒輪(1)的軸向間隙。請參閱本《Perkins1103/1104柴油發動機解體和組裝手冊》,“凸輪軸齒輪-拆卸和安裝”。
19.檢查凸輪軸齒輪(1)的齒隙值。請參閱本《Perkins1103/1104柴油發動機解體和組裝手冊》,“凸輪軸齒輪-拆卸和安裝”以及《技術參數手冊》,“前齒輪總成”,了解更詳細資料。
20.用清潔的發動機機油每個齒輪。
a.安裝殼體(前)蓋。請參閱《Perkins1103/1104柴油發動機解體和組裝》,“殼體(前)蓋-拆卸和安裝”。
b.安裝預熱塞。請參閱本《Perkins1103/1104柴油發動機解體和組裝手冊》,“預熱塞-拆卸和安裝”。
c.安裝搖臂軸。請參閱本《Perkins1103/1104柴油發動機解體和組裝手冊》,“搖臂軸和推桿-安裝”。