John Deere約翰迪爾強鹿柴油發動機正時齒輪蓋配件維修維護技術零件資料手冊

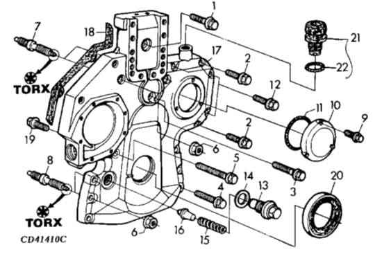
KEY PART NO. PART NAME QTY SERIAL NO. H REMARKS
1 19M8291 SCREW 1 X M8 X 35, (10.9)
2 19M8317 SCREW 4 X M8 X 40, (10.9)
3 RE67239 SCREW 1 X WITH SEALANT
4 19M7979 SCREW 2 X M8 X 55, (10.9)
5 19M7801 SCREW 1 X M8 X 60, (10.9)
6 14M7296 FLANGE NUT 6 X M10, (10)
7 R134518 STUD 2 X LGTH 68MM
8 R123584 STUD 4 X LGTH 79MM
9 19M7775 SCREW 3 X M6 X 16, (10.9)
10 R121411 COVER 1 X
11 R121424 O-RING 1 X
12 19M7800 SCREW 2 X M8 X 50, (10.9)
13 R91692 PLUG 1 X
14 A4827R WASHER 1 X
15 T27658 SPRING 1 X LGTH 119MM
16 R83169 VALVE 1 X
17 R134531 COVER 1 X
18 R136516 GASKET 1 X
19 19M7867 SCREW 1 X M8 X 25, (10.9)
20 .................. SEAL 1 X NSEP, ORD KIT RE59810
21 RE501938 PLUG 1 X
22 51M7044 O-RING 1 X 17.300 X 2.200 MM

KEY PART NO. PART NAME QTY SERIAL NO. H REMARKS
1 19M7863 SCREW 5 X M6 X 25, (10.9)
2 19M7796 SCREW 3 X M6 X 30, (10.9)
3 RE500737 WATER PUMP 1 X ASSY, INCL. KEYS 4-6,8, (ALSO ORDER R123417
AND R123226)
4 R123226 GASKET 1 X
5 RE46685 PLUG 1 X M18 X 1.5
6 51M7043 O-RING 1 X 15.300 X 2.200 MM
7 R123417 GASKET 1 X
8 .................. IMPELLER 1 X MARKED R121036, ORD KIT RE71240

KEY PART NO. PART NAME QTY SERIAL NO. H REMARKS
1 19M8291 SCREW 1 X M8 X 35, (10.9)
2 19M8317 SCREW 4 X M8 X 40, (10.9)
3 RE67239 SCREW 1 X WITH SEALANT
4 19M7979 SCREW 2 X M8 X 55, (10.9)
5 19M7801 SCREW 1 X M8 X 60, (10.9)
6 14M7296 FLANGE NUT 6 X M10, (10)
7 R134518 STUD 2 X LGTH 68MM
8 R123584 STUD 4 X LGTH 79MM
9 19M7775 SCREW 3 X M6 X 16, (10.9)
10 R121411 COVER 1 X
11 R121424 O-RING 1 X
12 19M7800 SCREW 2 X M8 X 50, (10.9)
13 R91692 PLUG 1 X
14 A4827R WASHER 1 X
15 T27658 SPRING 1 X LGTH 119MM
16 R83169 VALVE 1 X
17 R134531 COVER 1 X
18 R136516 GASKET 1 X
19 19M7867 SCREW 1 X M8 X 25, (10.9)
20 .................. SEAL 1 X NSEP, ORD KIT RE59810
21 RE501938 PLUG 1 X
22 51M7044 O-RING 1 X 17.300 X 2.200 MM
ENGINES

KEY PART NO. PART NAME QTY SERIAL NO. H REMARKS
1 19M7863 SCREW 5 X M6 X 25, (10.9)
2 19M7796 SCREW 3 X M6 X 30, (10.9)
3 RE500734 WATER PUMP 1 X ASSY, INCL KEYS 4-6,8, (ALSO ORDER R123417
AND R123226)
4 R123226 GASKET 1 X
5 RE46685 PLUG 1 X M18 X 1.5
6 51M7043 O-RING 1 X 15.300 X 2.200 MM
7 R123417 GASKET 1 X
8 .................. IMPELLER 1 X MARKED R123395, ORD KIT RE70962

KEY PART NO. PART NAME QTY SERIAL NO. T REMARKS
1 19H3065 CAP SCREW 5 X 3/8" X 2", (SAE 8)
2 24M7106 WASHER 13 X 10 X 18 X 2.500 MM
3 19H1726 CAP SCREW 1 X 3/8" X 2-1/4"
4 19H2733 CAP SCREW 4 X 3/8" X 2-3/8", (SAE 8)
5 19H3031 CAP SCREW 2 X 3/8" X 2-1/2", (SAE 8)
6 19H2549 CAP SCREW 1 X 3/8" X 1-7/8"
7 .................. COVER 1 X ALUMINIUM, MARKED R122417, ORD RE51527
8 R97454 GASKET 1 X
9 RE52977 DRAIN PLUG 1 X M42 X 2
10 51M7049 O-RING 1 X 38.600 X 2.900 MM
11 R91692 PLUG 1 X 1"-16UNC
12 A4827R WASHER 1 X
13 24H1290 WASHER AR X 21/64" X 3/4" X 0.035"
14 T27658 SPRING 1 X LGTH 119MM
15 R83169 VALVE 1 X
16 AR67942 SEAL 1 X