日本三菱渦輪增壓器柴油機配件上哪兒有買賣

日昕動力日本三菱柴油機零配件服務中心:日昕動力建立了一套完整的零配件供應體系,全天候快速供應,從而能夠保證您的機器正常運轉。日昕動力的零件倉庫庫存齊全的備用零件,全部采用電腦化管理,隨時滿足客戶的零件需要,純正配件是您最佳的選擇,因為您所得到的是延長你機器壽命的最佳保證。

備用零件
日本三菱零件目錄手冊
關于原廠三菱純正零部件的使用方法
請在原廠制造發動機上使用(原廠純正零部件)。
(原廠純正零部件)是本公司在卓越的質量管理下,經嚴格的檢查之后合格的優質零部件,所以可以放心使用。
仿造的零部件在材料,制造方法等所有的方面上,比不上純正的零部件,所以請不要使用仿制品。
在本公司的銷售網絡配備齊全的(原廠純正零部件),請指定(原廠純正零部件)之后,在就近的銷售網絡購買。
訂購零部件時,請告知下述事項:
(1) 零部件號碼和零部件名稱
(2) 所需數量
(3) 機種・形式和機號
根據具體請況,代替訂購的零部件,提供替代零部件。
3. 帶墊圈螺栓的表示
此目錄里使用的用于安裝的螺栓中,帶墊圈螺栓在記事欄里表示為"B/W"。(零部件名稱:BOLT、
W/WASHER)
對此,在卷末(D1~頁)收錄了螺栓、墊圈的每個零部件號碼和帶墊圈螺栓的對照表,所以請分別訂購
BOLT、WASHER。
4. 組合替換的表示
與其他的零部件一起,代替舊零部件可以使用的零部件,在替代符號欄里表示為"G"。對每個組合零部
件,收錄在卷末(E1~頁)里,請參考。
5. 零部件號碼的順序索引收錄在卷末(C1~頁)里,請利用。
6. 一部分圖解里,選登了代表性的圖解,有時會與實物不相符,請見諒。
7. 有時零部件、零部件號碼會變更,恕不另行通知。
氣缸蓋

|
參考號 |
零件編號 |
零件名稱和描述 |
數量 |
|
0060 |
* |
缸蓋總成 |
12 |
|
0060001 |
* |
閥座,半成品 |
48 |
|
0060002 |
04827-71000 |
內六角錐螺塞 |
12 |
|
0060003 |
04826-22500 |
密封蓋 |
12 |
|
0060004 |
* |
缸蓋總成 |
12 |
|
0060005 |
04826-22800 |
悶頭 |
84 |
|
0060006 |
* |
導管 |
48 |
|
0070 |
33501-13400 |
導管 |
24 |
|
0080 |
37501-11401 |
噴油器壓板雙頭螺栓 |
12 |
|
0090 |
37501-01501 |
定位銷 |
12 |
|
0100 |
37501-12200 |
缸蓋墊片 |
12 |
|
0130 |
37501-12501 |
螺栓(氣缸頭) |
72 |
|
0140 |
33707-11701 |
墊圈 |
72 |
|
0500 |
37501-80050 |
缸蓋總成 |
12 |
|
1400 |
37101-10600 |
導管 |
48 |
|
1500 |
37501-13100 |
閥座,成品標準 |
48 |
|
1510 |
37501-14200 |
閥座,成品過大0.3 |
48 |
|
1520 |
37501-14300 |
閥座,成品過大0.6 |
48 |
閥門裝置

|
參考號 |
零件編號 |
零件名稱和描述 |
數量 |
|
0020 |
37504-03800 |
進氣閥 |
24 |
|
0030 |
37504-40200 |
排氣閥 |
24 |
|
0040 |
32504-00400 |
鎖夾 |
96 |
|
0050 |
37504-00300 |
氣門旋轉機構 |
48 |
|
0060 |
37504-10400 |
氣門彈簧 |
48 |
|
0080 |
33504-10300 |
氣門桿密封圈 |
48 |
|
0090 |
* |
排氣橋總成 |
12 |
|
0090001 |
37504-03400 |
排氣閥橋 |
12 |
|
0090002 |
F2305-10000 |
螺母 |
12 |
|
0090003 |
37704-03300 |
閥橋調節螺釘 |
12 |
|
0100 |
* |
進氣橋總成 |
12 |
|
0100001 |
37704-03300 |
閥橋調節螺釘 |
12 |
|
0100002 |
37504-03500 |
進氣閥橋 |
12 |
|
0100003 |
F2305-10000 |
螺母 |
12 |
|
0110 |
30004-24302 |
蓋子 |
24 |
|
0130 |
* |
搖臂和軸總成 |
12 |
|
0130001 |
37504-04300 |
搖臂隔套 |
12 |
|
0130002 |
37504-22021 |
搖臂組件 |
24 |
|
0130003 |
37504-32500 |
搖臂襯套 |
12 |
|
0130004 |
* |
搖臂 |
12 |
|
0130005 |
F2305-12000 |
螺母 |
12 |
|
0130006 |
37104-02800 |
調節螺釘 |
12 |
|
0130007 |
37504-54012 |
搖臂軸組件 |
12 |
|
0130008 |
* |
搖臂軸 |
12 |
|
0130009 |
04826-21000 |
密封蓋 |
12 |
|
0140 |
37504-51102 |
搖臂座 |
12 |
|
0150 |
37504-31200 |
搖臂座墊片 |
12 |
|
0160 |
F2846-06000 |
定位銷 |
12 |
|
0170 |
MC802-397 |
螺栓 |
60 |
|
0180 |
37504-02300 |
O型圈 |
12 |
|
0190 |
05507-10200 |
O型圈 |
12 |
|
0200 |
37501-01501 |
定位銷 |
12 |
|
0210 |
MH000-854 |
法蘭面螺栓 |
12 |
|
0220 |
37504-14600 |
螺栓 |
12 |
|
0230 |
37504-26101 |
搖臂蓋罩 |
12 |
|
0240 |
37504-66200 |
搖臂蓋罩O型圈 |
12 |
|
0250 |
F1825-10065 |
組合螺栓裝配螺栓 |
35 |
|
0020 |
37504-03800 |
進氣閥 |
24 |
凸輪軸挺桿

|
參考號 |
零件編號 |
|
0030 37705 |
10301 凸輪軸右側 1 |
|
0040 37705 |
10401 凸輪軸左側 1 |
|
0050 F2846 |
12000 定位銷 4 |
|
0060 37525 |
09600 螺栓 8 |
|
0070 37525 |
07901 墊圈 8 |
|
0080 37505 |
10800 凸輪軸推力片 2 |
|
0090 F1805 |
12030 組合螺栓裝配螺栓 4 |
|
0100 37505 |
31100 挺柱 24 |
|
0110 37505 |
13100 推桿 24 |
氣缸曲軸箱(總成)

|
參考號 |
零件編號 |
零件名稱和描述 |
數量 |
|
0010 |
05507-10220 |
O型圈 |
14 |
|
0020 |
* |
曲軸箱組件 |
1 |
|
0020001 |
* |
曲軸箱,氣缸 |
1 |
|
0020002 |
* |
主軸承端蓋 |
6 |
|
0020003 |
37707-01701 |
螺栓 |
14 |
|
0020004 |
32507-01400 |
墊圈 |
28 |
|
0020005 |
* |
主軸承端蓋 |
1 |
|
0020006 |
37707-11801 |
螺栓(軸承端蓋) |
28 |
|
0030 |
37707-01900 |
定位銷 |
6 |
|
0040 |
F2846-08000 |
定位銷 |
2 |
|
0050 |
37807-02600 |
定位銷 |
24 |
|
0130 |
37707-03100 |
襯套(凸輪軸) |
2 |
|
0140 |
37707-03200 |
襯套(凸輪軸) |
12 |
|
0150 |
37507-03900 |
螺栓組件 |
14 |
|
0160 |
05946-01201 |
密封墊圈 |
14 |
|
0170 |
32307-02500 |
定位銷 |
2 |
|
0180 |
32307-02500 |
定位銷 |
2 |
|
0190 |
37507-00702 |
噴孔板 |
2 |
|
0200 |
32607-10700 |
防塵塞 |
1 |
|
0210 |
05507-10340 |
O型圈 |
3 |
|
0220 |
F2846-20000 |
定位銷 |
4 |
|
0230 |
F2846-12000 |
定位銷 |
4 |
|
0240 |
04827-71300 |
內六角錐螺塞 |
2 |
|
0250 |
04827-71300 |
內六角錐螺塞 |
1 |
|
0500 |
37707-70011 |
機體總成 |
1 |
氣缸曲軸箱(缸套)

|
參考號 |
零件編號零件名稱和描述 |
|
0060 37736 |
19300 接頭 1 |
|
0070 F5006 |
10000 內六角錐螺塞 3 |
|
0080 38C07 |
02700 缸套 12 |
|
0100 37507 |
32400 缸套O型圈 12 |
|
0110 37107 |
04201 缸套O型圈 12 |
|
0120 37107 |
04300 缸套O型圈 24 |
|
1400 37507 |
12500 墊圈厚度0.10 AR |
|
1410 37507 |
12510 墊圈厚度0.05 AR |
|
1420 37507 |
12520 墊圈厚度0.15 AR |
凸輪軸零件側蓋左手位)

|
參考號 |
零件編號 |
零件名稱和描述 |
|
37707-20901 |
吊板 |
4 |
|
0020 |
F1035-20075 |
螺栓 |
|
0030 |
F2515-20000 |
彈簧墊圈 |
|
0040 |
F1035-16055 |
螺栓 |
|
0050 |
F2515-16000 |
彈簧墊圈 |
|
0060 |
37507-27100 |
側蓋 |
|
0080 |
37507-27200 |
側蓋 |
|
0090 |
37507-16401 |
側蓋O型圈 |
|
0110 |
F1825-12030 |
組合螺栓裝配螺栓 |
|
0130 |
F1805-12050 |
組合螺栓裝配螺栓 |
|
0140 |
F2515-12000 |
彈簧墊圈 |
|
0150 |
F1035-12075 |
螺栓 |
|
0160 |
47510-51700 |
接頭 |
|
0170 |
05507-20550 |
O型圈 |
|
0180 |
64393-46700 |
接頭 |
|
0190 |
F5006-10000 |
內六角錐螺塞 |
|
0200 |
F1805-10025 |
組合螺栓裝配螺栓 |
|
0210 |
37507-37400 |
凸輪室蓋 |
|
0230 |
37507-37800 |
凸輪室蓋 |
|
0240 |
37507-16501 |
凸輪室O型圈 |
|
0250 |
F1825-12025 |
組合螺栓裝配螺栓 |
|
0260 |
F1035-12065 |
螺栓 |
|
0270 |
F2515-12000 |
彈簧墊圈 |
|
0280 |
37807-06101 |
蓋板 |
|
0290 |
37807-16200 |
墊片 |
|
0300 |
F1805-12025 |
組合螺栓裝配螺栓 |
|
0350 |
F4540-10000 |
接頭 |
|
0370 |
F4540-06300 |
接頭 |
|
0380 |
45954-30050 |
機油管 |
|
0390 |
05317-41800 |
夾頭 |
|
0400 |
36207-08900 |
墊圈(錐面彈性) |
|
0410 |
37707-28040 |
噴油嘴總成 |
|
0410001 |
* |
噴油器本體 |
|
0410002 |
05950-04006 |
定位螺釘 |
|
0410003 |
05969-00300 |
定位螺釘 |
|
0410004 |
F2846-06000 |
定位銷 |
|
0410005 |
31119-12201 |
閥 |
|
0420 |
37707-08500 |
帶孔螺栓 |
|
0430 |
45731-61700 |
蓋板 |
|
0440 |
F5006-10000 |
內六角錐螺塞 |
|
0450 |
33336-20500 |
墊片 |
|
0460 |
F1805-12030 |
組合螺栓裝配螺栓 |
|
0470 |
F4540-12000 |
接頭 |
|
0480 |
37507-19100 |
蓋板 |
|
0490 |
37555-10600 |
空冷墊片 |
|
0500 |
F1805-12030 |
組合螺栓裝配螺栓 |
凸輪軸零件(側蓋右手位)

|
參考號 |
零件編號 |
|
0070 37507 |
27100 側蓋 1 |
|
0100 37507 |
16401 側蓋O型圈 1 |
|
0120 F1825 |
12030 組合螺栓裝配螺栓 4 |
主軸承

|
參考號 |
零件編號 |
零件名稱和描述 |
數量 |
|
0020 |
* |
主軸瓦上瓦(A4Z) 上部 |
7 |
|
0030 |
* |
主軸瓦下瓦(A4Z) 下部 |
7 |
|
0300 |
37709-18100 |
推力片標準 |
4 |
|
0500 |
37709-12010 |
主軸承組件標準 |
7 |
|
0510 |
37709-12020 |
主軸承組件尺寸不足0.25 |
7 |
|
0520 |
37709-12030 |
主軸承組件尺寸不足0.50 |
7 |
|
0530 |
37709-12040 |
主軸承組件尺寸不足0.75 |
7 |
|
0540 |
37709-12050 |
主軸承組件尺寸不足1.00 |
7 |
|
0710 |
37709-18200 |
推力片過大0.25 |
4 |
|
0720 |
37709-18300 |
推力片過大0.50 |
4 |
|
0730 |
37709-18400 |
推力片過大0.75 |
4 |
齒輪室殼體

|
參考號 |
零件編號 |
零件名稱和描述 |
數量 |
|
0010 |
* |
齒輪室殼體 |
1 |
|
0020 |
37411-02300 |
防塵塞 |
2 |
|
0030 |
05660-05030 |
風扇襯套 |
1 |
|
0040 |
37766-03200 |
蓋板 |
1 |
|
0050 |
F1805-12020 |
組合螺栓裝配螺栓 |
3 |
|
0060 |
F2846-18000 |
定位銷 |
4 |
|
0070 |
37711-01100 |
齒輪室墊片(A) |
1 |
|
0080 |
37711-45300 |
后過渡板 |
1 |
|
0090 |
37711-01200 |
齒輪室墊片(B) |
1 |
|
0100 |
05978-16155 |
螺栓 |
10 |
|
0110 |
05978-16115 |
螺栓 |
6 |
|
0120 |
F1035-16030 |
螺栓 |
2 |
|
0130 |
31201-71800 |
墊圈 |
2 |
|
0132 |
31201-71800 |
墊圈 |
16 |
|
0140 |
37711-05900 |
法蘭面螺栓 |
34 |
|
0150 |
* |
潤滑油密封組件 |
1 |
|
0160 |
37411-04200 |
甩油盤 |
1 |
|
0170 |
37711-04300 |
油封 |
1 |
|
0180 |
30912-01400 |
防塵塞 |
1 |
油盤

|
參考號 |
零件編號名稱和描述 |
|
0010 37713 |
50101 油底殼 1 |
|
0020 05507 |
20800 O型圈 1 |
|
0030 37713 |
10200 油底殼墊片 1 |
|
0040 F1805 |
12035 組合螺栓裝配螺栓 47 |
|
0043 F1805 |
12040 組合螺栓裝配螺栓 1 |
|
0050 F1805 |
12050 組合螺栓裝配螺栓 6 |
|
0060 F2500 |
12000 平墊圈 6 |
|
0070 56C95 |
14900 止推環 6 |
|
0080 33546 |
06900 蓋板 1 |
|
0090 45742 |
56601 法蘭 1 |
|
0100 05507 |
20600 O型圈 2 |
|
0110 F1805 |
12025 組合螺栓裝配螺栓 2 |
|
0120 F1805 |
12030 組合螺栓裝配螺栓 2 |
|
0130 F5000 |
36000 放油螺塞 2 |
|
0140 05946 |
03601 密封墊圈 2 |
|
0150 F5000 |
20000 放油螺塞 1 |
|
0160 05946 |
02001 密封墊圈 1 |
|
0170 F5006 |
26000 內六角錐螺塞 1 |
|
0180 F5000 |
16000 放油螺塞 1 |
|
0190 05946 |
01601 密封墊圈 1 |
|
0200 F4540 |
12000 接頭 1 |
|
0210 F5006 |
17000 內六角錐螺塞 1 |
活塞

|
參考號 |
零件編號 |
零件名稱和描述 |
數量 |
|
0030 |
37517-17700 |
活塞 |
12 |
|
0040 |
* |
活塞環(壓縮) |
12 |
|
0050 |
* |
活塞環(第二道) |
12 |
|
0060 |
* |
活塞環(潤滑油) |
12 |
|
0070 |
37517-18100 |
活塞銷 |
12 |
|
0080 |
F3202-07000 |
擋圈 |
24 |
|
0700 |
37517-10010 |
活塞環組件 |
12 |
連桿

|
參考號 |
零件編號 |
零件名稱和描述 |
數量 |
|
0010 |
* |
連桿組件標準 |
12 |
|
0010001 |
37519-21301 |
連桿螺栓上部 |
12 |
|
0010002 |
37519-11401 |
連桿螺栓下部 |
12 |
|
0010003 |
* |
連桿襯套,半成品 |
12 |
|
0010004 |
* |
連桿 |
12 |
|
0010005 |
* |
連桿端蓋 |
12 |
|
0210 |
37719-32021 |
連桿組件等級M:15.42KG |
12 |
|
0600 |
37519-13100 |
軸承(連桿) 標準 |
24 |
|
0610 |
37519-13200 |
軸承(連桿) 尺寸不足0.25 |
24 |
|
0620 |
37519-13300 |
軸承(連桿) 尺寸不足0.50 |
24 |
|
0630 |
37519-13400 |
軸承(連桿) 尺寸不足0.75 |
24 |
|
0640 |
37519-13500 |
尺寸不足1.00 |
24 |
|
0700 |
37519-10600 |
襯套(連桿) |
12 |
凸輪軸

|
參考號 |
零件編號 |
零件名稱和描述 |
數量 |
|
0010 |
* |
曲軸組件 |
1 |
|
0010001 |
F2846-20000 |
定位銷 |
8 |
|
0010002 |
33320-04701 |
定位銷 |
2 |
|
0010003 |
* |
平衡重塊 |
1 |
|
0010004 |
* |
平衡重塊 |
7 |
|
0010005 |
F2846-05000 |
定位銷 |
1 |
|
0010006 |
37725-12103 |
曲軸齒輪擋位數75 |
1 |
|
0010007 |
37420-10300 |
螺栓 |
16 |
|
0010008 |
33707-11701 |
墊圈 |
16 |
|
0010009 |
* |
曲軸 |
1 |
|
0010010 |
37723-10101 |
曲軸齒輪擋位數75 |
1 |
|
0020 |
F2846-20000 |
定位銷 |
2 |
|
0200 |
37720-20011 |
曲軸總成 |
1 |
飛輪

|
參考號 |
零件編號 |
零件名稱和描述 |
數量 |
|
0030 |
37721-00061 |
飛輪組件 |
1 |
|
0030001 |
37721-20201 |
齒圈擋位數193 |
1 |
|
0030002 |
* |
飛輪 |
1 |
|
0030003 |
F1805-10045 |
組合螺栓裝配螺栓 |
12 |
|
0040 |
F1035-22090 |
螺栓 |
12 |
避震器

|
參考號 |
零件編號 |
零件名稱和描述 |
數量 |
|
0001 |
* |
溫度標簽組 |
1 |
|
0001001 |
32522-04111 |
溫度標簽選用件 |
75℃至95℃ |
|
0002 |
* |
溫度標簽組 |
1 |
|
0002001 |
32522-04211 |
溫度標簽選用件 |
100℃至120℃ |
|
0003 |
* |
溫度標簽組 |
1 |
|
0003001 |
32522-04311 |
溫度標簽選用件 |
50℃至70℃ |
|
0040 |
37722-11100 |
減震器(前) |
1 |
|
0050 |
37722-01200 |
減振器,后側 |
1 |
|
0070 |
33707-11701 |
墊圈 |
8 |
|
0090 |
37722-10800 |
指針 |
1 |
|
0110 |
F1035-12060 |
螺栓 |
2 |
|
0120 |
F2515-12000 |
彈簧墊圈 |
2 |
|
0130 |
45713-62200 |
隔圈 |
2 |
|
0140 |
37420-00600 |
定位銷 |
2 |
|
0160 |
37722-10501 |
隔套(減震器) |
2 |
|
0001 |
* |
溫度標簽組 |
1 |
|
0001001 |
32522-04111 |
溫度標簽選用件 |
75℃至95℃ |
|
0002 |
* |
溫度標簽組 |
1 |
|
0002001 |
32522-04211 |
溫度標簽選用件 |
100℃至120℃ |
|
0003 |
* |
溫度標簽組 |
1 |
|
0003001 |
32522-04311 |
溫度標簽選用件 |
50℃至70℃ |
|
0040 |
37722-11100 |
減震器(前) |
1 |
|
0050 |
37722-01200 |
減振器,后側 |
1 |
|
0070 |
33707-11701 |
墊圈 |
8 |
|
0090 |
37722-10800 |
指針 |
1 |
定時齒輪

|
參考號 |
零件編號 |
零件名稱和描述 |
數量 |
|
0030 |
37723-03031 |
惰齒輪總成擋位數32 |
& |
|
0030001 |
* |
惰齒輪,左側 |
2 |
|
0030002 |
37723-03300 |
風扇襯套 |
2 |
|
0040 |
37823-03600 |
惰輪軸 |
2 |
|
0050 |
37723-04601 |
止推環 |
2 |
|
0060 |
05507-20600 |
O型圈 |
4 |
|
0062 |
05507-20600 |
O型圈 |
2 |
|
0070 |
37823-03801 |
推力片 |
2 |
|
0080 |
F2846-08000 |
定位銷 |
2 |
|
0090 |
37723-04400 |
惰齒輪螺母 |
2 |
|
0100 |
37723-14701 |
惰齒輪螺栓(M20-M18) |
2 |
|
0110 |
37723-04900 |
蓋板 |
2 |
|
0120 |
F1805-12030 |
組合螺栓裝配螺栓 |
4 |
|
0130 |
37723-11101 |
凸輪軸齒輪擋位數60 |
2 |
|
0140 |
37723-12100 |
噴油泵齒輪擋位數60 |
2 |
前副機驅動

|
參考號 |
零件編號 |
零件名稱和描述 |
數量 |
|
0020 |
* |
前齒輪室殼體總成前側 |
1 |
|
0020001 |
37N25-01201 |
齒輪箱 |
1 |
|
0020002 |
04826-25000 |
密封蓋 |
1 |
|
0040 |
04826-21400 |
密封蓋 |
1 |
|
0050 |
37725-30200 |
前墊片(A) |
1 |
|
0060 |
37725-90300 |
前過渡板 |
1 |
|
0070 |
37725-40400 |
前墊片(B) |
1 |
|
0080 |
05978-12155 |
螺栓 |
10 |
|
0090 |
F1035-12040 |
螺栓 |
1 |
|
0100 |
F1035-12055 |
螺栓 |
1 |
|
0110 |
F1035-12130 |
螺栓 |
5 |
|
0120 |
05978-12160 |
螺栓 |
1 |
|
0130 |
F1035-12110 |
螺栓 |
3 |
|
0140 |
F2515-12000 |
彈簧墊圈 |
21 |
|
0150 |
F2305-12000 |
螺母 |
4 |
|
0160 |
F1805-12025 |
組合螺栓裝配螺栓 |
27 |
|
0180 |
F1805-12040 |
組合螺栓裝配螺栓 |
2 |
|
0190 |
F2846-12000 |
定位銷 |
2 |
|
0200 |
05978-16160 |
螺栓 |
4 |
|
0210 |
31201-71800 |
墊圈 |
4 |
|
0220 |
37746-00501 |
接頭 |
2 |
|
0230 |
F3153-07500 |
O型圈 |
4 |
|
0240 |
F4540-06300 |
接頭 |
1 |
|
0260 |
37425-08201 |
甩油盤 |
1 |
|
0270 |
37511-04300 |
油封 |
1 |
|
0280 |
37725-03011 |
惰齒輪總成擋位數56 |
1 |
|
0280001 |
37123-03400 |
風扇襯套 |
1 |
|
0280002 |
* |
惰齒輪 |
1 |
|
0290 |
37725-03504 |
惰輪軸 |
1 |
|
0300 |
F1035-12035 |
螺栓 |
4 |
|
0310 |
37525-07901 |
墊圈 |
4 |
|
0320 |
32423-03800 |
推力片 |
1 |
|
0330 |
F1035-10025 |
螺栓 |
2 |
|
0340 |
34A48-02100 |
墊圈 |
2 |
|
0350 |
37725-22302 |
機油泵齒輪 |
1 |
|
0360 |
37725-40500 |
墊板 |
1 |
|
0370 |
37561-01800 |
定位銷 |
1 |
|
0380 |
37725-20600 |
墊片 |
1 |
|
0390 |
F1805-12035 |
組合螺栓裝配螺栓 |
4 |
|
0400 |
05977-12030 |
雙頭螺栓 |
2 |
|
0410 |
05977-12065 |
雙頭螺栓 |
2 |
|
0420 |
05977-12050 |
雙頭螺栓 |
2 |
|
0430 |
F2515-12000 |
彈簧墊圈 |
6 |
|
0440 |
F2300-12000 |
螺母 |
6 |
|
0450 |
37725-00801 |
蓋板 |
1 |
|
0460 |
37725-10900 |
蓋板 |
1 |
|
0470 |
F3015-06523 |
油封 |
1 |
|
0480 |
05507-21250 |
O型圈 |
2 |
|
0490 |
F1805-12025 |
組合螺栓裝配螺栓 |
8 |
|
0510 |
F8010-06310 |
球軸承 |
2 |
前副機驅動

|
參考號 |
零件編號 |
|
0520 37720 |
03302 曲軸皮帶盤(D300) 1 |
|
0530 05978 |
22190 螺栓 8 |
后副機驅動

|
參考號 |
零件編號名稱和描述 |
|
0020 37525 |
63100 傳動軸殼體 2 |
|
0030 37525 |
03600 O型圈 2 |
|
0040 F1035 |
12045 螺栓 6 |
|
0050 F1035 |
12050 螺栓 4 |
|
0060 37525 |
07901 墊圈 10 |
|
0070 F1035 |
12035 螺栓 4 |
|
0080 37525 |
07901 墊圈 4 |
|
0090 37725 |
45300 油泵傳動軸 2 |
|
0100 37725 |
15700 平鍵 2 |
|
0110 F2870 |
10032 半圓鍵 2 |
|
0120 37525 |
00600 墊圈 2 |
|
0130 F8010 |
06309 球軸承 2 |
|
0140 37525 |
09900 螺母 1 |
|
0150 F3202 |
10000 擋圈 2 |
|
0160 F8006 |
06210 球軸承 2 |
|
0170 37525 |
13400 油封 2 |
|
0180 37536 |
01800 接頭 2 |
|
0190 04827 |
71300 內六角錐螺塞 2 |
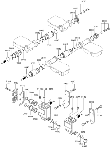
進氣系統(部分-1)

|
參考號 |
零件編號名稱和描述 |
|
0010 37530 |
00200 進氣管墊片 12 |
|
0086 35A30 |
00100 O型圈 8 |
|
0096 37830 |
01501 接頭 2 |
|
0110 37730 |
11501 墊片 2 |
|
0122 F1805 |
10035 組合螺栓裝配螺栓 8 |
|
0190 F2005 |
10020 組合螺栓裝配螺栓 2 |
|
0200 37731 |
10200 空氣管 2 |
|
0210 37731 |
02800 空氣管 1 |
|
0220 37731 |
02900 空氣管 1 |
|
0230 47941 |
33050 空冷器墊片 4 |
|
0240 37831 |
02200 柔性接頭 2 |
|
0250 37731 |
00401 空氣管 2 |
|
0260 F1035 |
16060 螺栓 32 |
|
0270 F2500 |
16000 平墊圈 32 |
|
0280 F2515 |
16000 彈簧墊圈 32 |
|
0290 F2300 |
16000 螺母 32 |
|
0300 37731 |
11800 空氣管A支撐 4 |
|
0310 F1825 |
12025 組合螺栓裝配螺栓 16 |
|
0320 37731 |
02400 夾箍 6 |
|
0330 F1825 |
10025 組合螺栓裝配螺栓 16 |
進氣系統(部分-2)

|
參考號 |
零件編號名稱和描述 |
|
0740 37731 |
11202 空氣管 1 |
|
0750 F1825 |
12025 組合螺栓裝配螺栓 8 |
|
0760 37731 |
11302 空氣箱(前) 1 |
|
0770 37731 |
02700 橡膠管 1 |
|
0780 04830 |
01270 夾箍 5 |
|
0790 37731 |
11402 空氣箱(后) 1 |
|
0800 95111 |
11800 止推環 30 |
|
0810 05978 |
10115 螺栓 26 |
|
0812 F1035 |
10010 螺栓 4 |
|
0814 F1035 |
10025 螺栓 2 |
|
0820 58034 |
04400 墊圈 34 |
|
0830 F1035 |
10055 螺栓 2 |
|
0840 37731 |
01600 空冷器墊片 2 |
|
0850 37731 |
01500 墊板 1 |
|
0860 37755 |
20300 空冷器墊片 1 |
|
0740 37731 |
11202 空氣管 1 |
進氣管和空氣過濾器

|
參考號 |
零件編號名稱和描述 |
|
0020 47220 |
47703 空濾器總成 2 |
|
0020001 47220 |
47800 濾芯組件 2 |
|
0030 47220 |
34401 指示器 2 |
|
0040 47220 |
47600 橡膠管 2 |
|
0050 47510 |
77300 空氣管 2 |
|
0060 47220 |
47300 軟管(空氣) 2 |
|
0070 05317 |
52001 夾箍 4 |
|
0080 05317 |
52801 夾箍 4 |
排氣歧管(A)

|
參考號 |
零件編號名稱和描述 |
|
0010 37732 |
21102 接頭 6 |
|
0012 37732 |
21102 接頭 6 |
|
0020 37532 |
09500 排氣管墊片 6 |
|
0022 37532 |
09500 排氣管墊片 6 |
|
0030 37532 |
00800 法蘭面螺栓 24 |
|
0032 37532 |
00800 法蘭面螺栓 24 |
|
0060 37732 |
53101 排氣歧管 1 |
|
0062 37732 |
53101 排氣歧管 1 |
|
0070 37732 |
53201 排氣歧管 4 |
|
0072 37732 |
53201 排氣歧管 4 |
|
0120 37733 |
03500 排氣歧管 1 |
|
0170 37733 |
13600 排氣歧管 1 |
|
0270 37732 |
10900 排氣管墊片 6 |
|
0272 37732 |
10900 排氣管墊片 6 |
|
0280 32532 |
20800 螺栓 8 |
|
0282 32532 |
20800 螺栓 20 |
|
0284 32532 |
20800 螺栓 20 |
|
0290 37732 |
53700 柔性接頭 5 |
|
0292 37732 |
53700 柔性接頭 5 |
|
0300 37732 |
13801 V型夾箍(D150) 10 |
|
0302 37732 |
13801 V型夾箍(D150) 10 |
|
0310 F5006 |
13000 內六角錐螺塞 6 |
|
0312 F5006 |
13000 內六角錐螺塞 6 |
|
0320 37732 |
02600 內六角錐螺塞 6 |
|
0322 37732 |
02600 內六角錐螺塞 6 |
|
0330 37N32 |
04100 螺紋螺塞 1 |
|
0332 37N32 |
04100 螺紋螺塞 1 |
|
0340 41232 |
03900 空冷器墊片 1 |
|
0342 41232 |
03900 空冷器墊片 1 |
排氣歧管(B)

|
參考號 |
零件編號名稱和描述 |
|
0010 47910 |
81400 柔性管 1 |
|
0020 37732 |
05500 排氣管 1 |
|
0030 37732 |
11700 增壓器排氣總管接頭 2 |
|
0040 37432 |
14700 密封環 6 |
|
0050 37N32 |
09100 V型管夾組件 2 |
|
0060 32532 |
08500 蓋板 1 |
|
0070 F5006 |
10000 錐螺塞 1 |
|
0080 37N32 |
04100 螺紋螺塞 2 |
|
0090 41232 |
03900 空冷器墊片 2 |
|
0100 37732 |
14600 排氣總管支撐(右) 右側 1 |
|
0110 37732 |
14700 排氣總管支撐(左) 左側 1 |
|
0120 07707 |
12040 螺栓 4 |
|
0130 F2445 |
12000 自鎖螺母 4 |
|
0140 F1805 |
12030 組合螺栓裝配螺栓 8 |
排氣罩

|
參考號 |
零件編號名稱和描述 |
|
0010 37532 |
37101 隔熱罩 6 |
|
0012 37532 |
37101 隔熱罩 6 |
|
0020 F1010 |
08014 法蘭面螺栓 12 |
|
0022 F1010 |
08014 法蘭面螺栓 12 |
|
0400 37733 |
17601 隔熱罩右側 FR 1 |
|
0420 37733 |
17701 隔熱罩左側 FR 1 |
|
0440 37733 |
28401 隔熱罩右側 RE 1 |
|
0460 37732 |
28501 隔熱罩左側 RE 1 |
|
0480 37832 |
15901 隔熱罩右側 FR 1 |
|
0490 37832 |
16101 隔熱罩左側 FR 1 |
|
0500 37732 |
18601 隔熱罩右側 RE 1 |
|
0510 37732 |
18701 隔熱罩左側 RE 1 |
|
0520 37732 |
27801 隔熱罩右側 FR 1 |
|
0530 37732 |
27901 隔熱罩左側 FR 1 |
|
0540 37833 |
06301 隔熱罩 2 |
|
0550 37733 |
07301 隔熱罩 2 |
|
0560 32532 |
07320 螺栓 18 |
|
0570 32532 |
06320 螺栓 6 |
|
0580 F2515 |
10000 彈簧墊圈 6 |
|
0590 32332 |
00801 鎖緊螺母 6 |
|
0596 F2515 |
10000 彈簧墊圈 24 |
|
0600 58034 |
04400 墊圈 8 |
|
0610 37732 |
27100 隔熱罩墊圈 10 |
|
0620 37733 |
17100 隔熱罩支架 6 |
|
0630 37733 |
17201 隔熱罩支架 5 |
|
0640 37733 |
07400 隔熱罩支架 1 |
|
0650 37732 |
46800 增壓器隔熱罩(FR) 前方 1 |
|
0660 37732 |
56900 增壓器隔熱罩(FE) 后部 1 |
|
0670 37732 |
09300 隔熱罩支架 1 |
|
0680 37732 |
19400 隔熱罩支架 1 |
|
0690 07707 |
12040 螺栓 4 |
|
0700 F2445 |
12000 自鎖螺母 4 |
|
0710 37732 |
09501 隔熱罩支架 2 |
|
0720 F1155 |
10040 螺栓 2 |
|
0730 F1155 |
10045 螺栓 2 |
|
0740 F2515 |
10000 彈簧墊圈 4 |
|
0750 37732 |
07302 撐條 2 |
|
0760 F1805 |
10020 組合螺栓裝配螺栓 2 |
|
0770 F1805 |
10016 組合螺栓裝配螺栓 8 |
|
0780 F2500 |
10000 平墊圈 8 |
渦輪增壓器機組

|
參考號 |
零件編號名稱和描述 |
|
0080 32532 |
09100 增壓器墊片 2 |
|
0100 32532 |
06485 螺栓 8 |
|
0110 37733 |
03800 隔圈 8 |
|
0120 37733 |
13900 墊圈 16 |
|
0130 05948 |
00200 螺母 16 |
|
0170 05507 |
20300 O型圈 2 |
|
0180 05507 |
20300 O型圈 4 |
|
0190 37832 |
24100 增壓器支架(A) 2 |
|
0200 F1035 |
12090 螺栓 4 |
|
0210 F1035 |
12050 螺栓 8 |
|
0220 F2515 |
12000 彈簧墊圈 12 |
|
0230 37732 |
34900 支架 2 |
|
0240 F1155 |
10075 螺栓 4 |
|
0250 F2515 |
10000 彈簧墊圈 4 |
|
0260 04826 |
22200 密封蓋 2 |
|
0270 F1035 |
16065 螺栓 8 |
|
0280 F2515 |
16000 彈簧墊圈 8 |
|
0290 F2500 |
16000 平墊圈 8 |
增壓器總成(右)

|
參考號 |
零件編號 |
零件名稱和描述 |
數量 |
|
0050 |
49182-03880 |
增壓器總成右側 |
1 |
|
0050001 |
49182-08940 |
增壓器組件 |
1 |
|
0050002 |
49181-22200 |
潤滑油導流片 |
1 |
|
0050003 |
49181-21100 |
軸承 |
2 |
|
0050004 |
49181-21600 |
推力片 |
1 |
|
0050005 |
49181-42400 |
推力環 |
1 |
|
0050006 |
49181-42300 |
推力環 |
1 |
|
0050007 |
49181-42100 |
軸套 |
1 |
|
0050008 |
49181-22500 |
隔套 |
1 |
|
0050009 |
49181-22600 |
O型圈 |
1 |
|
0050010 |
49181-22300 |
擋圈 |
3 |
|
0050011 |
49162-23200 |
擋圈 |
1 |
|
0050012 |
49181-23100 |
活塞環 |
2 |
|
0050013 |
49181-42230 |
鎖緊螺母 |
1 |
|
0050014 |
49182-19300 |
渦輪背板 |
1 |
|
0050015 |
49182-25210 |
軸承座組件 |
1 |
|
0050016 |
* |
軸承座 |
1 |
|
0050017 |
* |
彈簧銷 |
1 |
|
0050018 |
49182-30130 |
渦輪轉子組件 |
1 |
|
0050019 |
00665-02048 |
螺紋鉚釘 |
2 |
|
0050020 |
49181-22700 |
O型圈 |
1 |
|
0050021 |
49181-23500 |
鎖片 |
4 |
|
0050022 |
49181-23700 |
螺栓 |
8 |
|
0050023 |
* |
銘板 |
1 |
|
0050024 |
49182-45060 |
壓縮機葉輪 |
1 |
|
0050025 |
49182-55240 |
壓縮機殼體 |
1 |
|
0050026 |
49181-14004 |
V型管夾組件 |
1 |
|
0050027 |
49182-10650 |
渦輪殼體 |
1 |
|
0050028 |
49182-14505 |
隔熱罩 |
1 |
|
0050029 |
49174-22700 |
O型圈 |
1 |
增壓器總成(左)

|
參考號 |
零件編號 |
零件名稱和描述 |
數量 |
|
0050 |
49182-03890 |
增壓器總成左側 |
1 |
|
0050001 |
49182-08940 |
增壓器組件 |
1 |
|
0050002 |
49181-22200 |
潤滑油導流片 |
1 |
|
0050003 |
49181-21100 |
軸承 |
2 |
|
0050004 |
49181-21600 |
推力片 |
1 |
|
0050005 |
49181-42400 |
推力環 |
1 |
|
0050006 |
49181-42300 |
推力環 |
1 |
|
0050007 |
49181-42100 |
軸套 |
1 |
|
0050008 |
49181-22500 |
隔套 |
1 |
|
0050009 |
49181-22600 |
O型圈 |
1 |
|
0050010 |
49181-22300 |
擋圈 |
3 |
|
0050011 |
49162-23200 |
擋圈 |
1 |
|
0050012 |
49181-23100 |
活塞環 |
2 |
|
0050013 |
49181-42230 |
鎖緊螺母 |
1 |
|
0050014 |
49182-19300 |
渦輪背板 |
1 |
|
0050015 |
49182-25210 |
軸承座組件 |
1 |
|
0050016 |
* |
軸承座 |
1 |
|
0050017 |
* |
彈簧銷 |
1 |
|
0050018 |
49182-30130 |
渦輪轉子組件 |
1 |
|
0050019 |
00665-02048 |
螺紋鉚釘 |
2 |
|
0050020 |
49181-22700 |
O型圈 |
1 |
|
0050021 |
49181-23500 |
鎖片 |
4 |
|
0050022 |
49181-23700 |
螺栓 |
8 |
|
0050023 |
* |
銘板 |
1 |
|
0050024 |
49182-45060 |
壓縮機葉輪 |
1 |
|
0050025 |
49182-55240 |
壓縮機殼體 |
1 |
|
0050026 |
49181-14004 |
V型管夾組件 |
1 |
|
0050027 |
49182-10650 |
渦輪殼體 |
1 |
|
,
0050028 |
49182-14505 |
隔熱罩 |
1 |
|
0050029 |
49174-22700 |
O型圈 |
1 |
油泵

|
參考號 |
零件編號名稱和描述 |
|
0010 37735 |
00031 機油泵總成 1 |
|
0010001 05946 |
03301 密封墊圈 3 |
|
0020 F1035 |
12090 螺栓 3 |
|
0030 F2515 |
12000 彈簧墊圈 3 |
|
0040 05507 |
21450 O型圈 1 |
|
0050 05507 |
20750 O型圈 2 |
|
0060 37735 |
03100 機油泵蓋板 1 |
|
0070 F5006 |
26000 錐螺塞 1 |
擋油器管路

|
參考號 |
零件編號 |
|
0020 37736 |
10101 機油吸油管 1 |
|
0030 F1805 |
12030 組合螺栓裝配螺栓 2 |
|
0040 05507 |
20800 O型圈 1 |
|
0050 37736 |
03400 接頭 1 |
|
0060 F1805 |
10030 組合螺栓裝配螺栓 2 |
|
0070 F1035 |
10080 螺栓 2 |
|
0080 F2515 |
10000 彈簧墊圈 2 |
|
0090 37736 |
02501 機油管 1 |
|
0100 32646 |
08600 撐條 1 |
|
0110 F1825 |
10020 組合螺栓裝配螺栓 1 |
|
0120 F1805 |
10020 組合螺栓裝配螺栓 1 |
|
0130 F1035 |
12080 螺栓 2 |
|
0140 F2515 |
12000 彈簧墊圈 2 |
|
0150 05507 |
20800 O型圈 1 |
|
0160 05507 |
20650 O型圈 2 |
|
0170 37836 |
03601 機油管右側 1 |
|
0180 F1035 |
10065 螺栓 1 |
|
0190 F1805 |
10025 組合螺栓裝配螺栓 1 |
|
0200 F2515 |
10000 彈簧墊圈 1 |
|
0210 37836 |
03703 機油管右側 1 |
|
0220 F1805 |
10025 組合螺栓裝配螺栓 6 |
|
0230 05507 |
20500 O型圈 5 |
|
0240 05507 |
20350 O型圈 16 |
|
0250 37836 |
03803 機油管左側 1 |
|
0260 37836 |
03903 機油管左側 1 |
|
0270 37836 |
03501 夾箍 4 |
|
0280 37836 |
03300 夾頭支架 2 |
|
0290 F1825 |
12025 組合螺栓裝配螺栓 4 |
|
0020 37736 |
10101 機油吸油管 1 |
|
0030 F1805 |
12030 組合螺栓裝配螺栓 2 |
|
0040 05507 |
20800 O型圈 1 |
|
0050 37736 |
03400 接頭 1 |
|
0060 F1805 |
10030 組合螺栓裝配螺栓 2 |
濾油器管路

|
參考號 |
零件編號名稱和描述 |
|
0010 37739 |
20501 機油節溫器 1 |
|
0012 37739 |
20501 機油節溫器・ |
|
0020 37546 |
00800 節溫器密封墊 1 |
|
0023 37546 |
00800 節溫器密封墊 1 |
|
0030 37736 |
21203 接頭 1 |
|
0040 05507 |
20400 O型圈 1 |
|
0050 05507 |
20850 O型圈 1 |
|
0060 F1035 |
12100 螺栓 3 |
|
0070 37739 |
00900 螺栓 1 |
|
0080 F2515 |
12000 彈簧墊圈 4 |
|
0090 37736 |
44200 機油回油管 1 |
|
0100 05507 |
20350 O型圈 2 |
|
0110 33442 |
20200 墊片 1 |
|
0120 F1805 |
10025 組合螺栓裝配螺栓 2 |
|
0130 37736 |
11301 接頭 1 |
|
0140 05507 |
20800 O型圈 1 |
|
0150 F1805 |
12025 組合螺栓裝配螺栓 3 |
|
0010 37739 |
20501 機油節溫器 1 |
|
0012 37739 |
20501 機油節溫器・ |
油系統零件

|
參考號 |
零件編號名稱和描述 |
|
0020 37736 |
04602 機油管(右) 1 |
|
0030 37736 |
04903 增壓器機油管(左) 1 |
|
0040 F1805 |
10016 組合螺栓裝配螺栓 2 |
|
0050 35C36 |
02900 機油墊片 2 |
|
0060 37836 |
35900 吸油管接頭 2 |
|
0070 05507 |
20250 O型圈 4 |
|
0080 F1035 |
10080 螺栓 2 |
|
0090 F1805 |
10025 組合螺栓裝配螺栓 2 |
|
0100 F2515 |
10000 彈簧墊圈 2 |
|
0110 37736 |
56101 機油管(右) 1 |
|
0120 37736 |
46201 機油管(左) 1 |
|
0130 F1805 |
08020 組合螺栓裝配螺栓 1 |
|
0140 37736 |
27200 回油管(R.H) 1 |
|
0150 37736 |
27300 回油管(L.H) 1 |
|
0160 37736 |
86401 機油管(右) 1 |
|
0170 37836 |
16801 機油管支撐 2 |
|
0180 F1805 |
08014 組合螺栓裝配螺栓 2 |
|
0190 37736 |
96801 機油管(左) 1 |
油冷器

|
參考號 |
零件編號名稱和描述 |
|
0010 37739 |
50010 潤滑油冷卻器總成 1 |
|
0010001 MH035 |
093 O型圈 3 |
|
0010002 05507 |
10140 O型圈 8 |
|
0010003 37739 |
30400 外殼 1 |
|
0010004 ME150 |
442 螺母 8 |
|
0010005 MH035 |
626 O型圈 4 |
|
0010006 37739 |
30100 油冷器芯子 2 |
|
0010007 ME064 |
526 防塵塞 3 |
|
0020 37507 |
00702 噴孔板 1 |
|
0030 05507 |
10340 O型圈 1 |
|
0040 37739 |
10200 機油冷卻器墊片 1 |
|
0050 05507 |
10440 O型圈 1 |
|
0060 F1825 |
12035 組合螺栓裝配螺栓 18 |
|
0070 F4540 |
08000 接頭 1 |
|
0090 37739 |
22200 空冷器墊片 1 |
|
0100 37739 |
32100 油冷器芯子 2 |
|
0110 37739 |
22300 板,左側潤滑油冷卻器 1 |
|
0120 05507 |
20300 O型圈 4 |
|
0130 05507 |
10140 O型圈 8 |
|
0140 F2440 |
10000 自鎖螺母 8 |
|
0150 F2515 |
10000 彈簧墊圈 8 |
|
0160 F1805 |
12025 組合螺栓裝配螺栓 3 |
|
0010 37739 |
50010 潤滑油冷卻器總成 1 |
潤滑油濾清器

|
參考號 |
零件編號名稱和描述 |
|
0040 05507 |
20300 O型圈 4 |
|
0050 MH000 |
183 螺栓 8 |
|
0060 MH000 |
184 螺栓 2 |
|
0070 F1035 |
12100 螺栓 8 |
|
0080 F1035 |
12130 螺栓 2 |
|
0090 F2515 |
12000 彈簧墊圈 20 |
|
0100 F2500 |
12000 平墊圈 20 |
|
0110 37740 |
00700 夾箍 1 |
|
0120 05507 |
20350 O型圈 2 |
|
0130 37540 |
01301 油濾報警器 1 |
|
0140 F4540 |
06300 接頭 1 |
|
0150 F4540 |
08000 接頭 1 |
|
0160 37736 |
24300 旁通回油管 1 |
潤滑油濾清器組件

|
參考號 |
零件編號 |
零件名稱和描述 |
數量 |
|
0010 |
37740-60010 |
潤滑油濾清器組件 |
1 |
|
0010001 |
37740-27123 |
O型圈 |
2 |
|
0010002 |
F1035-12040 |
螺栓 |
6 |
|
0010003 |
37540-11100 |
濾油器濾芯 |
4 |
|
0010004 |
37740-65400 |
連接器組件 |
1 |
|
0010005 |
37740-27112 |
防塵塞 |
2 |
|
0010006 |
05507-20350 |
O型圈 |
13 |
|
0010007 |
* |
支架組件 |
1 |
|
0010008 |
05507-10110 |
O型圈 |
1 |
|
0010009 |
37740-06011 |
旁通濾油器組件 |
1 |
|
0010010 |
37540-02100 |
濾油器濾芯 |
1 |
|
0010011 |
* |
支架組件 |
1 |
|
0010012 |
F2300-08000 |
螺母 |
2 |
|
0010013 |
* |
支架組件 |
1 |
|
0010014 |
F2515-10000 |
彈簧墊圈 |
4 |
|
0010015 |
F1035-10035 |
螺栓 |
2 |
|
0010016 |
05978-10110 |
螺栓 |
2 |
|
0010017 |
F2500-12000 |
平墊圈 |
8 |
|
0010018 |
05507-20400 |
O型圈 |
6 |
|
0010019 |
F2500-10000 |
平墊圈 |
4 |
|
0010020 |
F1035-12080 |
螺栓 |
1 |
|
0010021 |
37740-01700 |
夾箍 |
3 |
|
0010022 |
F5005-10001 |
內六角錐螺塞 |
3 |
|
0010023 |
37740-60300 |
連接器組件 |
1 |
|
0010024 |
F1035-12070 |
螺栓 |
1 |
|
0010025 |
F1035-08025 |
螺栓 |
2 |
|
0010026 |
F2500-08000 |
平墊圈 |
4 |
|
0010027 |
35A40-15101 |
支架組件 |
1 |
|
0010028 |
F2515-12000 |
彈簧墊圈 |
8 |
水泵

|
參考號 |
零件編號名稱和描述 |
|
0010 37745 |
60011 水泵總成 1 |
|
0010001 37525 |
13400 油封 1 |
|
0010002 32645 |
01800 機械密封 1 |
|
0020 F2515 |
30000 彈簧墊圈 1 |
|
0030 F2325 |
30000 鎖緊螺母 1 |
|
0040 37545 |
02900 放水閥(R1/8) 1 |
|
0050 05977 |
12060 雙頭螺栓 3 |
|
0060 F2515 |
12000 彈簧墊圈 3 |
|
0070 F2300 |
12000 螺母 3 |
|
0080 05507 |
21600 O型圈 1 |
|
0090 37746 |
00400 接頭(D110*24) 1 |
|
0100 F3153 |
10500 O型圈 2 |
冷卻系統(自動調溫器)

|
參考號 |
零件編號名稱和描述 |
|
0010 37746 |
01102 接頭 10 |
|
0020 37746 |
01200 接頭右側 1 |
|
0030 37746 |
01300 接頭左側 1 |
|
0040 05505 |
31065 O型圈 24 |
|
0050 05505 |
57060 O型圈 2 |
|
0060 37546 |
11300 擋圈 12 |
|
0070 37546 |
21201 蓋板 2 |
|
0080 F1825 |
10030 組合螺栓裝配螺栓 4 |
|
0090 37546 |
21701 節溫器(71) 4 |
|
0100 37546 |
01800 節溫器密封墊 4 |
|
0110 37546 |
00900 擋圈 4 |
|
0130 37546 |
23702 節溫器座 2 |
|
0140 F5006 |
10000 內六角錐螺塞 2 |
|
0150 36646 |
00090 微動閥總成 2 |
|
0160 37546 |
17100 節溫器蓋板 2 |
|
0170 37546 |
23300 節溫器蓋板墊片 2 |
|
0180 F1805 |
10030 組合螺栓裝配螺栓 12 |
|
0190 37746 |
13401 節溫器支架(右) 右側 1 |
|
0200 37746 |
13501 節溫器支架(左) 左側 1 |
|
0210 F1035 |
16040 螺栓 6 |
冷卻系統(管路)

|
參考號 |
零件編號名稱和描述 |
|
0280 33546 |
06900 蓋板 1 |
|
0282 33546 |
06900 蓋板 1 |
|
0290 32546 |
46800 密封墊片 1 |
|
0292 32546 |
46800 密封墊片 1 |
|
0300 F1805 |
12030 組合螺栓裝配螺栓 2 |
|
0302 F1805 |
12030 組合螺栓裝配螺栓 2 |
|
0340 37746 |
24300 旁通管(A.RH) 1 |
|
0350 37746 |
04800 旁通管(C,R.H) 1 |
|
0360 F1805 |
10025 組合螺栓裝配螺栓 4 |
|
0370 37746 |
04400 旁通管(B) 1 |
|
0380 F3153 |
06000 O型圈 2 |
|
0390 F1805 |
10025 組合螺栓裝配螺栓 4 |
|
0400 04826 |
40032 夾箍 2 |
|
0410 F3150 |
07000 O型圈 1 |
|
0420 45600 |
42902 接頭 1 |
|
0430 F5000 |
16000 放油螺塞 1 |
|
0440 05946 |
01601 密封墊圈 1 |
|
0450 F5005 |
21001 內六角錐螺塞 6 |
熱水器管路

|
參考號 |
零件編號名稱和描述 |
|
0010 04393 |
33820 水加熱器 2 |
|
0030 F1035 |
12060 螺栓 2 |
|
0040 F2515 |
12000 彈簧墊圈 2 |
|
0050 47521 |
62901 加熱器殼體 2 |
|
0060 45961 |
13068 柔性管 1 |
|
0070 45961 |
13115 柔性管 1 |
|
0080 30007 |
65200 管(乙烯樹脂) 2 |
|
0090 33407 |
16100 放水閥 2 |
|
0100 05946 |
02001 密封墊圈 2 |
|
0150 F2882 |
25000 夾頭 3 |
|
0160 F4300 |
16000 橡膠夾箍 2 |
|
0170 F4656 |
15000 彎頭 6 |
|
0180 F5006 |
21000 內六角錐螺塞 2 |
|
0190 00426 |
15011 聯管螺母 2 |
|
0200 F8000 |
25000 鋼球軸承 2 |
|
0210 45961 |
13074 柔性管 1 |
|
0220 45961 |
13154 柔性管 1 |
|
0230 47521 |
63100 撐條 1 |
|
0260 F3153 |
05500 O型圈 2 |
|
0270 F4610 |
20000 帶孔螺栓 2 |
|
0280 F5006 |
21000 內六角錐螺塞 2 |
|
0290 04442 |
30210 溫度傳感器 1 |
泵組件

|
參考號 |
零件編號 |
|
0080 48A50 |
08005 高壓油泵(右) 右側 1 |
|
0090 48A60 |
08005 高壓油泵(左) 左側 1 |
泵組件(部分-1)右手位

|
參考號 |
零件編號 |
零件名稱和描述 |
數量 |
|
0400 |
48A95-08003 |
柱塞總成 |
6 |
|
0520 |
48A13-10100 |
泵殼體 |
1 |
|
0600 |
48210-20201 |
凸輪軸 |
1 |
|
0710 |
48A12-10103 |
燃油控制齒條 |
1 |
|
0800 |
48A11-08001 |
柱塞組件 |
6 |
|
0800001 |
* |
柱塞 |
6 |
|
0800002 |
* |
筒體 |
6 |
|
0800003 |
* |
定位銷 |
6 |
|
1500 |
48270-50010 |
輸出閥組件 |
6 |
|
1560 |
48270-30018 |
CPV |
閥體組件 |
|
1600 |
48A11-02101 |
小齒輪 |
6 |
|
1655 |
48202-35902 |
挺柱 |
6 |
|
1700 |
48270-14101 |
夾頭 |
6 |
|
1800 |
48202-21202 |
上端彈簧座 |
6 |
|
1850 |
48202-21301 |
下端彈簧座 |
6 |
|
1900 |
48A15-01002 |
挺桿滾子組件 |
6 |
|
1900001 |
* |
挺桿滾子 |
6 |
|
1900002 |
* |
風扇襯套 |
6 |
|
1900003 |
* |
定位銷 |
6 |
|
2050 |
48202-11700 |
柱塞彈簧 |
6 |
|
2100 |
48270-11800 |
彈簧 |
6 |
|
2200 |
48A16-00101 |
彈簧座 |
6 |
|
2330 |
48210-35602 |
前端板 |
1 |
|
2350 |
48202-22202 |
蓋板后側 |
1 |
|
2400 |
48202-02300 |
中心軸承 |
1 |
|
2450 |
48202-12400 |
O型圈 |
18 |
|
2500 |
48202-32500 |
齒條襯套 |
2 |
|
2550 |
48202-02601 |
螺栓 |
6 |
|
2560 |
48202-07601 |
螺栓 |
6 |
|
2800 |
48202-22800 |
墊圈 |
12 |
|
2850 |
48202-02900 |
定位銷 |
7 |
|
2860 |
04826-21000 |
密封蓋 |
7 |
|
2870 |
48202-05800 |
封印鐵絲 |
1 |
|
2880 |
48202-07700 |
鉛封 |
1 |
|
2890 |
48202-54001 |
止回閥組件 |
1 |
|
2890001 |
05507-10060 |
O型圈 |
1 |
|
2890002 |
05634-01200 |
自鎖螺母 |
1 |
|
2890003 |
* |
氣門彈簧 |
1 |
|
2890004 |
* |
螺釘 |
1 |
|
2890005 |
* |
閥本體 |
1 |
|
2890006 |
F8000-08000 |
鋼珠,軸承 |
1 |
|
3000 |
48A13-02201 |
指針 |
1 |
|
3100 |
48202-23500 |
波紋管 |
1 |
|
3110 |
48202-08200 |
波紋管夾 |
1 |
|
3120 |
48202-08300 |
波紋管夾 |
1 |
|
3150 |
48A13-01100 |
偏轉螺栓 |
12 |
|
3200 |
F1010-08050 |
法蘭面螺栓 |
2 |
|
3250 |
48202-33900 |
定位螺釘 |
1 |
|
3300 |
48202-14100 |
調整墊片,殼體厚度0.50 |
4 |
|
3350 |
48202-14200 |
調整墊片,殼體厚度0.10 |
1 |
泵組件(部分-1)右手位

|
參考號 |
零件編號 |
零件名稱和描述 |
數量 |
|
3400 |
48202-14300 |
調整墊片,殼體厚度0.15 |
1 |
|
3450 |
48202-14400 |
調整墊片,殼體厚度0.30 |
2 |
|
3500 |
* |
調整墊片組,筒體根據需要,使用 |
1 |
|
3500001 |
48270-05100 |
調整墊片,筒體厚度0.40 |
1 |
|
3500002 |
48270-05200 |
調整墊片,筒體厚度0.45 |
1 |
|
3500003 |
48270-05300 |
調整墊片,筒體厚度0.50 |
1 |
|
3500004 |
48270-05400 |
調整墊片,筒體厚度0.55 |
1 |
|
3500005 |
48270-05500 |
調整墊片,筒體厚度0.60 |
1 |
|
3500006 |
48270-05600 |
調整墊片,筒體厚度0.65 |
1 |
|
3500007 |
48270-05700 |
調整墊片,筒體厚度0.70 |
1 |
|
3500008 |
48270-05800 |
調整墊片,筒體厚度0.75 |
1 |
|
3500009 |
48270-05900 |
調整墊片,筒體厚度0.80 |
1 |
|
3500010 |
48270-06100 |
調整墊片,筒體厚度0.85 |
1 |
|
3500011 |
48270-06200 |
調整墊片,筒體厚度0.90 |
1 |
|
3500012 |
48270-06300 |
調整墊片,筒體厚度0.95 |
1 |
|
3500013 |
48270-06400 |
調整墊片,筒體厚度1.00 |
1 |
|
3500014 |
48270-06500 |
調整墊片,筒體厚度1.05 |
1 |
|
3500015 |
48270-06600 |
調整墊片,筒體厚度1.10 |
1 |
|
3500016 |
48270-06700 |
調整墊片,筒體厚度1.15 |
1 |
|
3500017 |
48270-06800 |
調整墊片,筒體厚度1.20 |
1 |
|
3500018 |
48270-06900 |
調整墊片,筒體厚度1.25 |
1 |
|
3550 |
48270-06200 |
調整墊片,筒體厚度0.90 |
12 |
|
3725 |
48202-15100 |
帶孔螺栓 |
1 |
|
3850 |
48202-05500 |
帶孔螺栓 |
2 |
|
6000 |
* |
銘牌 |
1 |
|
6100 |
04245-00120 |
輸油泵 |
1 |
|
6200 |
00665-02048 |
螺紋鉚釘 |
2 |
|
6500 |
05946-00801 |
密封墊圈 |
3 |
|
6520 |
05946-01201 |
密封墊圈 |
12 |
|
6540 |
05946-01201 |
密封墊圈 |
1 |
|
6560 |
05946-01401 |
密封墊圈 |
6 |
|
7000 |
F1010-06012 |
凸緣螺栓 |
2 |
|
7100 |
F1010-08025 |
法蘭面螺栓 |
8 |
|
7120 |
F1010-06016 |
法蘭面螺栓 |
3 |
|
7480 |
48202-07100 |
油封 |
1 |
|
7540 |
05507-10080 |
O型圈 |
2 |
|
7620 |
05507-20350 |
O型圈 |
1 |
|
7640 |
05507-20800 |
O型圈 |
, 2 |
|
7660 |
05507-20250 |
O型圈 |
6 |
|
7720 |
48230-05200 |
帶孔螺栓 |
1 |
|
7780 |
F5000-12000 |
放油螺塞 |
1 |
|
7900 |
F8143-32207 |
圓錐滾子軸承 |
2 |
|
8310 |
48291-01300 |
帽蓋 |
6 |
|
9005 |
48202-59901 |
維修墊片套件 |
1 |
泵組件(部分-2)右手位

|
參考號 |
零件編號 |
零件名稱和描述 |
數量 |
|
3810 |
48251-10700 |
凸緣螺母 |
2 |
|
3820 |
48251-00600 |
聯軸器墊圈 |
2 |
|
3910 |
48251-00800 |
短螺栓 |
6 |
|
3960 |
48251-00900 |
長螺栓 |
2 |
|
5000 |
48251-00101 |
飛輪 |
1 |
|
5060 |
48C17-12201 |
夾箍 |
1 |
|
5150 |
48251-10301 |
聯軸器十字頭 |
1 |
|
5200 |
48251-11400 |
聯軸器疊層板厚度0.8 |
14 |
|
5220 |
* |
疊層板套件 |
2 |
|
5250 |
48251-20500 |
襯套 |
4 |
|
5300 |
48251-20500 |
襯套 |
4 |
|
5350 |
48251-20400 |
聯軸器墊圈 |
8 |
|
5380 |
48251-42018 |
聯軸器組件 |
1 |
|
5450 |
48251-42000 |
夾箍 |
1 |
|
7080 |
F1035-14085 |
螺栓 |
1 |
|
7200 |
F2325-24000 |
鎖緊螺母 |
1 |
|
7300 |
48A17-08100 |
聯軸器墊圈 |
1 |
|
7340 |
32507-01400 |
墊圈 |
1 |
|
7400 |
F2870-07025 |
半圓鍵 |
1 |
泵組件(部分-1)左手位

|
參考號 |
零件編號 |
零件名稱和描述 |
數量 |
|
48A95-08003 |
柱塞總成 |
6 |
|
|
0520 |
48A13-10100 |
泵殼體 |
1 |
|
0600 |
48210-20201 |
凸輪軸 |
1 |
|
0710 |
48A12-10103 |
燃油控制齒條 |
1 |
|
0800 |
48A11-08001 |
柱塞組件 |
6 |
|
0800001 |
* |
柱塞 |
6 |
|
0800002 |
* |
筒體 |
6 |
|
0800003 |
* |
定位銷 |
6 |
|
1500 |
48270-50010 |
輸出閥組件 |
6 |
|
1560 |
48270-30018 |
CPV |
閥體組件 |
|
1600 |
48A11-02101 |
小齒輪 |
6 |
|
1655 |
48202-35902 |
挺柱 |
6 |
|
1700 |
48270-14101 |
夾頭 |
6 |
|
1800 |
48202-21202 |
上端彈簧座 |
6 |
|
1850 |
48202-21301 |
下端彈簧座 |
6 |
|
1900 |
48A15-01002 |
挺桿滾子組件 |
6 |
|
1900001 |
* |
挺桿滾子 |
6 |
|
1900002 |
* |
風扇襯套 |
6 |
|
1900003 |
* |
定位銷 |
6 |
|
2050 |
48202-11700 |
柱塞彈簧 |
6 |
|
2100 |
48270-11800 |
彈簧 |
6 |
|
2200 |
48A16-00101 |
彈簧座 |
6 |
|
2330 |
48210-35602 |
前端板 |
1 |
|
2350 |
48202-22202 |
蓋板后側 |
1 |
|
2400 |
48202-02300 |
中心軸承 |
1 |
|
2450 |
48202-12400 |
O型圈 |
18 |
|
2500 |
48202-32500 |
齒條襯套 |
2 |
|
2550 |
48202-02601 |
螺栓 |
6 |
|
2560 |
48202-07601 |
螺栓 |
6 |
|
2800 |
48202-22800 |
墊圈 |
12 |
|
2850 |
48202-02900 |
定位銷 |
7 |
|
2860 |
04826-21000 |
密封蓋 |
7 |
|
2870 |
48202-05800 |
封印鐵絲 |
1 |
|
2880 |
48202-07700 |
鉛封 |
1 |
|
2890 |
48202-54001 |
止回閥組件 |
1 |
|
2890001 |
05507-10060 |
O型圈 |
1 |
|
2890002 |
05634-01200 |
自鎖螺母 |
1 |
|
2890003 |
* |
氣門彈簧 |
1 |
|
2890004 |
* |
螺釘 |
1 |
|
2890005 |
* |
閥本體 |
1 |
|
2890006 |
F8000-08000 |
鋼珠,軸承 |
1 |
|
3000 |
48A13-02201 |
指針 |
1 |
|
3100 |
48202-23500 |
波紋管 |
1 |
|
3110 |
48202-08200 |
波紋管夾 |
1 |
|
3120 |
48202-08300 |
波紋管夾 |
1 |
|
3150 |
48A13-01100 |
偏轉螺栓 |
12 |
|
3200 |
F1010-08050 |
法蘭面螺栓 |
2 |
|
3250 |
48202-33900 |
定位螺釘 |
1 |
|
3300 |
48202-14100 |
調整墊片,殼體厚度0.50 |
4 |
|
3350 |
48202-14200 |
調整墊片,殼體厚度0.10 |
1 |
泵組件(部分-1)左手位

|
參考號 |
零件編號 |
零件名稱和描述 |
數量 |
|
3400 |
48202-14300 |
調整墊片,殼體厚度0.15 |
1 |
|
3450 |
48202-14400 |
調整墊片,殼體厚度0.30 |
2 |
|
3500 |
* |
調整墊片組,筒體根據需要,使用 |
1 |
|
3500001 |
48270-05100 |
調整墊片,筒體厚度0.40 |
1 |
|
3500002 |
48270-05200 |
調整墊片,筒體厚度0.45 |
1 |
|
3500003 |
48270-05300 |
調整墊片,筒體厚度0.50 |
1 |
|
3500004 |
48270-05400 |
調整墊片,筒體厚度0.55 |
1 |
|
3500005 |
48270-05500 |
調整墊片,筒體厚度0.60 |
1 |
|
3500006 |
48270-05600 |
調整墊片,筒體厚度0.65 |
1 |
|
3500007 |
48270-05700 |
調整墊片,筒體厚度0.70 |
1 |
|
3500008 |
48270-05800 |
調整墊片,筒體厚度0.75 |
1 |
|
3500009 |
48270-05900 |
調整墊片,筒體厚度0.80 |
1 |
|
3500010 |
48270-06100 |
調整墊片,筒體厚度0.85 |
1 |
|
3500011 |
48270-06200 |
調整墊片,筒體厚度0.90 |
1 |
|
3500012 |
48270-06300 |
調整墊片,筒體厚度0.95 |
1 |
|
3500013 |
48270-06400 |
調整墊片,筒體厚度1.00 |
1 |
|
3500014 |
48270-06500 |
調整墊片,筒體厚度1.05 |
1 |
|
3500015 |
48270-06600 |
調整墊片,筒體厚度1.10 |
1 |
|
3500016 |
48270-06700 |
調整墊片,筒體厚度1.15 |
1 |
|
3500017 |
48270-06800 |
調整墊片,筒體厚度1.20 |
1 |
|
3500018 |
48270-06900 |
調整墊片,筒體厚度1.25 |
1 |
|
3550 |
48270-06200 |
調整墊片,筒體厚度0.90 |
12 |
|
3725 |
48202-15100 |
帶孔螺栓 |
1 |
|
3850 |
48202-05500 |
帶孔螺栓 |
2 |
|
6000 |
* |
銘牌 |
1 |
|
6100 |
04245-00120 |
輸油泵 |
1 |
|
6200 |
00665-02048 |
螺紋鉚釘 |
2 |
|
6500 |
05946-00801 |
密封墊圈 |
3 |
|
6520 |
05946-01201 |
密封墊圈 |
12 |
|
6540 |
05946-01201 |
密封墊圈 |
1 |
|
6560 |
05946-01401 |
密封墊圈 |
6 |
|
7000 |
F1010-06012 |
凸緣螺栓 |
2 |
|
7100 |
F1010-08025 |
法蘭面螺栓 |
8 |
|
7120 |
F1010-06016 |
法蘭面螺栓 |
3 |
|
7480 |
48202-07100 |
油封 |
1 |
|
7540 |
05507-10080 |
O型圈 |
2 |
|
7620 |
05507-20350 |
O型圈 |
1 |
|
7640 |
05507-20800 |
O型圈 |
2 |
|
7660 |
05507-20250 |
O型圈 |
6 |
|
7720 |
48230-05200 |
帶孔螺栓 |
1 |
|
7780 |
F5000-12000 |
放油螺塞 |
1 |
|
7900 |
F8143-32207 |
圓錐滾子軸承 |
2 |
|
8310 |
48291-01300 |
帽蓋 |
6 |
|
9005 |
48202-59901 |
維修墊片套件 |
1 |
泵組件(部分-2)左手位

|
參考號 |
零件編號 |
零件名稱和描述 |
數量 |
|
3810 |
48251-10700 |
凸緣螺母 |
2 |
|
3820 |
48251-00600 |
聯軸器墊圈 |
2 |
|
3910 |
48251-00800 |
短螺栓 |
6 |
|
3960 |
48251-00900 |
長螺栓 |
2 |
|
5000 |
48251-00101 |
飛輪 |
1 |
|
5060 |
48C17-12201 |
夾箍 |
1 |
|
5150 |
48251-10301 |
聯軸器十字頭 |
1 |
|
5200 |
48251-11400 |
聯軸器疊層板厚度0.8 |
14 |
|
5220 |
* |
疊層板套件 |
2 |
|
5250 |
48251-20500 |
襯套 |
4 |
|
5300 |
48251-20500 |
襯套 |
4 |
|
5350 |
48251-20400 |
聯軸器墊圈 |
8 |
|
5380 |
48251-42018 |
聯軸器組件 |
1 |
|
5450 |
48251-42000 |
夾箍 |
1 |
|
7080 |
F1035-14085 |
螺栓 |
1 |
|
7200 |
F2325-24000 |
鎖緊螺母 |
1 |
|
7300 |
48A17-08100 |
聯軸器墊圈 |
1 |
|
7340 |
32507-01400 |
墊圈 |
1 |
|
7400 |
F2870-07025 |
半圓鍵 |
1 |
泵組件(進給泵)

|
參考號 |
零件編號 |
|
6100 04245 |
00120 輸油泵 2 |
|
6100001 15200 |
21720 殼體 2 |
|
6100002 15210 |
01120 活塞 2 |
|
6100003 15210 |
40100 活塞彈簧 2 |
|
6100004 15210 |
50400 防塵塞 2 |
|
6100005 15211 |
11920 挺桿組件 2 |
|
6100006 15211 |
20100 滾子 2 |
|
6100007 15211 |
30700 定位銷 2 |
|
6100008 15211 |
40400 導管 4 |
|
6100009 15211 |
50200 閥 8 |
|
6100010 15211 |
60200 彈簧 8 |
|
6100011 15211 |
70100 防塵塞 6 |
|
6100012 15212 |
10200 擋圈 2 |
|
6100013 15220 |
05620 預供油泵 2 |
|
6100014 15230 |
04020 帶孔螺栓 2 |
|
6100015 02973 |
14570 帶孔螺栓 2 |
|
6100016 05946 |
01401 密封墊圈 10 |
|
6100017 15231 |
01300 接頭 4 |
噴射管噴口

|
參考號 |
零件編號名稱和描述 |
|
0040 37561 |
01602 噴油器壓板 12 |
|
0050 F2305 |
14000 螺母 12 |
|
0060 33561 |
14500 墊圈 12 |
|
0070 05507 |
10420 O型圈 12 |
|
0090 05507 |
10340 O型圈 12 |
|
0100 05507 |
10260 O型圈 12 |
|
0110 37561 |
23500 蓋板 12 |
|
0112 37561 |
23500 蓋板 12 |
|
0120 37561 |
13600 夾頭 12 |
|
0122 37561 |
13600 夾頭 12 |
|
0130 37861 |
04400 夾頭 12 |
|
0132 37861 |
04400 夾頭 6 |
|
0134 37861 |
04400 夾頭 6 |
|
0160 37761 |
32100 高壓油管(2.8S,第1缸) 號碼1 1 |
|
0170 37761 |
32200 高壓油管(2.8S,第2缸) 號碼2 1 |
|
0180 37761 |
32300 高壓油管(2.8S,第3缸) 號碼3 1 |
|
0190 37761 |
32400 高壓油管(2.8S,第4缸) 號碼4 1 |
|
0200 37761 |
32500 高壓油管(2.8S,第5缸) 號碼5 1 |
|
0210 37761 |
32600 高壓油管(2.8S,第6缸) 號碼6 1 |
|
0220 37761 |
32700 高壓油管(2.8S,第7缸) 號碼7 1 |
|
0230 37761 |
32800 高壓油管(2.8S,第8缸) 號碼8 1 |
|
0240 37761 |
32900 高壓油管(2.8S,第9缸) 號碼9 1 |
|
0250 37761 |
33100 高壓油管(2.8S,第10缸) 號碼10 1 |
|
0260 37761 |
33200 高壓油管(2.8S,第11缸) 號碼11 1 |
|
0270 37761 |
33300 高壓油管(2.8S,第12缸) 號碼12 1 |
|
0290 37562 |
02800 夾箍 2 |
|
0300 37562 |
01800 夾箍 2 |
|
0310 F1805 |
08030 組合螺栓裝配螺栓 14 |
|
0320 37561 |
08800 風扇襯套 12 |
|
0330 05318 |
00300 扎帶 12 |
|
0340 37562 |
13300 管子襯墊(D7) 9 |
|
0342 37562 |
13300 管子襯墊(D7) 11 |
|
0350 37562 |
13400 管子襯墊(D7) 4 |
|
0352 37562 |
13400 管子襯墊(D7) 2 |
|
0360 37562 |
13100 管子襯墊(D7) 9 |
|
0362 37561 |
13100 管子襯墊(D7) 11 |
|
0370 37562 |
15902 夾板 9 |
|
0372 37562 |
15902 夾板 11 |
|
0380 F1805 |
10055 組合螺栓裝配螺栓 2 |
|
0382 F1805 |
10055 組合螺栓裝配螺栓 8 |
|
0390 F1805 |
10080 組合螺栓裝配螺栓 4 |
|
0392 F1805 |
10080 組合螺栓裝配螺栓 4 |
|
0400 F2515 |
10000 彈簧墊圈 4 |
|
0410 F1805 |
10065 組合螺栓裝配螺栓 8 |
|
0412 F1805 |
10065 組合螺栓裝配螺栓 10 |
|
0420 F1035 |
10090 螺栓 4 |
|
0430 37761 |
03602 夾板 3 |
|
0432 37761 |
03602 夾板 3 |
|
0440 37761 |
05501 夾板 1 |
|
0450 37761 |
03702 夾板 3 |
噴射管噴口

|
參考號 |
零件編號 |
|
0452 37761 |
03702 夾板 1 |
|
0460 37761 |
09900 高壓油管支撐 1 |
|
0470 F1805 |
10030 組合螺栓裝配螺栓 2 |
|
0480 37562 |
13100 管子襯墊(D7) 10 |
|
0482 37562 |
13100 管子襯墊(D7) 4 |
|
0490 37562 |
13400 管子襯墊(D7) 1 |
|
0500 F1035 |
10045 螺栓 10 |
|
0502 F1035 |
10045 螺栓 2 |
|
0510 F1035 |
10070 螺栓 2 |
|
0520 37562 |
15902 夾板 10 |
|
0522 37562 |
15902 夾板 4 |
|
0530 F2515 |
10000 彈簧墊圈 10 |
|
0532 F2515 |
10000 彈簧墊圈 4 |
|
0540 F2300 |
10000 螺母 10 |
噴嘴組件

|
參考號 |
零件編號 |
|
0020 37560 |
22011 噴油嘴總成 12 |
|
0020001 37560 |
17700 噴油器噴油嘴組件 12 |
|
0020002 37560 |
37011 噴油器本體組件 12 |
|
0020003 05946 |
01001 密封墊圈 12 |
|
0020004 05946 |
01401 密封墊圈 12 |
|
0020005 33407 |
03901 定位螺釘 12 |
|
0020006 37561 |
09300 彈簧座 12 |
|
0020007 37561 |
13300 挺桿 12 |
|
0020008 37561 |
16600 螺母 12 |
|
0020009 37561 |
26300 螺母 12 |
|
0020010 37561 |
26400 噴油器彈簧 12 |
|
0020011 37561 |
46500 調節螺釘 12 |
|
0020012 37561 |
56700 接頭 12 |
|
0020013 37561 |
67013 隔圈 12 |
|
0020014 37561 |
86100 噴油器本體 12 |
|
0020015 F8001 |
30014 滾子軸承 24 |
|
0020016 F8001 |
40014 滾子軸承 24 |
|
0080 37561 |
16800 噴嘴墊片(厚2) 12 |
燃油濾清器

|
參考號 |
零件編號 |
|
0020 F4610 |
14000 帶孔螺栓 4 |
|
0030 05946 |
01401 密封墊圈 8 |
|
0040 37762 |
20400 燃油濾清器支架 2 |
|
0050 F1805 |
12030 組合螺栓裝配螺栓 6 |
|
0060 F1825 |
10025 組合螺栓裝配螺栓 8 |
|
0070 37762 |
20301 管支撐 2 |
|
0080 F1805 |
10020 組合螺栓裝配螺栓 4 |
燃油濾清器組件

|
參考號 |
零件編號 |
|
0010 37562 |
60100 燃油濾清器總成 2 |
|
0010001 05946 |
00801 密封墊圈 2 |
|
0010002 32562 |
00115 防塵塞 2 |
|
0010003 32562 |
60300 濾油器濾芯 2 |
|
0010004 37562 |
10111 燃油濾清器支架 1 |
燃油濾清器管路

|
參考號 |
零件編號 |
|
0050 F4540 |
20000 接頭 1 |
|
0060 45950 |
51700 柔性管 1 |
|
0070 45950 |
11300 接頭 1 |
|
0080 F8000 |
32000 鋼球軸承 1 |
|
0090 F4521 |
20000 聯管螺母 1 |
|
0100 37762 |
00503 接頭 1 |
|
0120 F4540 |
10000 接頭 2 |
|
0130 F1035 |
12090 螺栓 2 |
|
0140 F2515 |
12000 彈簧墊圈 2 |
|
0150 37762 |
21100 柴油管(A) 1 |
|
0160 37762 |
21200 柴油管(B) 1 |
|
0170 37762 |
31300 柴油管(C) 1 |
|
0180 37762 |
61400 柴油管(D) 1 |
|
0190 37762 |
51500 柴油管(E) 1 |
|
0200 37762 |
61600 柴油管(F) 1 |
|
0210 37762 |
31700 柴油管(G) 1 |
|
0220 37762 |
42100 管支撐 1 |
|
0230 37762 |
03400 柴油管支撐(F) 1 |
|
0240 F1035 |
14025 螺栓 2 |
|
0250 F2515 |
14000 彈簧墊圈 2 |
|
0260 F1805 |
10016 組合螺栓裝配螺栓 2 |
|
0270 37261 |
01700 夾箍 4 |
|
0280 F1805 |
10030 組合螺栓裝配螺栓 2 |
|
0290 F2500 |
10000 平墊圈 2 |
自動調節器

|
參考號 |
零件編號 |
|
0010 04410 |
32902 接頭 1 |
|
0020 04410 |
33100 速度控制器 1 |
|
0050 04410 |
43500 傳感器電纜 1 |
|
0070 37736 |
04101 防塵塞 1 |
|
0080 F4521 |
12000 聯管螺母 1 |
|
0090 F1825 |
10065 組合螺栓裝配螺栓 1 |
|
0100 35A61 |
19900 鉛封線(D1 SUS) 1 |
|
0110 48000 |
96600 鉛封 1 |
|
0120 04410 |
32011 執行器 1 |
|
0130 04410 |
43410 轉速傳感器,長80 1 |
|
0190 47500 |
34100 橡膠墊 8 |
|
0200 47500 |
34200 隔圈 4 |
|
0210 F1035 |
06055 螺栓 4 |
|
0220 F2515 |
06000 彈簧墊圈 4 |
|
0230 08302 |
06000 墊圈 4 |
|
0240 F2300 |
06000 螺母 8 |
|
0250 47520 |
31102 執行器支架 1 |
|
0250001 47520 |
31132 墊板 1 |
|
0250002 47520 |
31131 墊板 1 |
|
0260 47500 |
39901 蓋板 1 |
|
0270 05507 |
21450 O型圈 1 |
|
0280 F1035 |
12035 螺栓 3 |
|
0290 F1035 |
12030 螺栓 1 |
|
0300 F2515 |
12000 彈簧墊圈 4 |
|
0310 F2500 |
1200, 0 平墊圈 1 |
|
0320 37763 |
27300 拉桿左側 1 |
|
0320001 37763 |
27312 拉桿 1 |
|
0320002 37761 |
77311 隔圈 1 |
|
0330 47520 |
31200 拉桿 1 |
|
0330001 47520 |
31212 隔圈 1 |
|
0330002 47520 |
31211 拉桿 1 |
|
0340 F1115 |
08025 螺栓,金屬線鎖緊 HO 1 |
|
0350 F2515 |
08000 彈簧墊圈 1 |
|
0360 F2300 |
08000 螺母 1 |
|
0370 05902 |
08095 接桿 1 |
|
0380 35A61 |
38601 球形接頭(M8,R) 1 |
|
0390 35A61 |
38701 球形接頭(M8,L) 1 |
|
0400 F2445 |
08000 自鎖螺母 2 |
|
0410 09413 |
00800 鎖緊螺母 1 |
啟動器

|
參考號 |
零件編號 |
|
0010 F8665 |
02100 兩極接頭 2 |
|
0050 37766 |
20201 起動電機(7.5KW) 2 |
|
0060 F1805 |
12035 組合螺栓裝配螺栓 6 |
交流發電機

|
參考號 |
零件編號 |
零件名稱和描述 |
數量 |
|
0020 |
32B90-00300 |
接頭 |
1 |
|
0030 |
04343-38000 |
發電機 |
1 |
|
0040 |
34A68-05100 |
接頭 |
1 |
|
0040001 |
* |
連接器本體 |
1 |
|
0040002 |
* |
插頭 |
2 |
|
0040003 |
* |
后側固件 |
1 |
|
0060 |
37768-22100 |
發電機支架(A) |
1 |
|
0070 |
F1035-12030 |
螺栓 |
2 |
|
0080 |
F1035-12040 |
螺栓 |
1 |
|
0090 |
F2500-12000 |
平墊圈 |
1 |
|
0100 |
F2515-12000 |
彈簧墊圈 |
5 |
|
0110 |
37768-12200 |
發電機支架(B) |
1 |
|
0120 |
F1035-12035 |
螺栓 |
1 |
|
0130 |
F1035-12045 |
螺栓 |
1 |
|
0140 |
F2500-12000 |
平墊圈 |
1 |
|
0150 |
* |
調整桿總成 |
1 |
|
0150001 |
09413-01401 |
鎖緊螺母 |
1 |
|
0150002 |
37568-22200 |
接桿 |
1 |
|
0150003 |
37568-22300 |
接桿 |
1 |
|
0150004 |
37768-12300 |
接桿 |
1 |
|
0150005 |
F2320-14000 |
鎖緊螺母 |
1 |
|
0180 |
37768-28300 |
發電機螺栓(A) |
2 |
|
0190 |
37768-02400 |
發電機隔圈 |
1 |
|
0200 |
F1035-12075 |
螺栓 |
1 |
|
0210 |
F2515-12000 |
彈簧墊圈 |
3 |
|
0250 |
37768-04200 |
皮帶 |
1 |
|
0260 |
37768-42500 |
發電機皮帶蓋板 |
1 |
|
0270 |
F1805-10020 |
組合螺栓裝配螺栓 |
2 |
|
0280 |
F2500-10000 |
平墊圈 |
2 |
|
0290 |
37768-12600 |
皮帶蓋板 |
1 |
|
0300 |
37768-12702 |
蓋板支撐(A) |
1 |
|
0310 |
F1805-12025 |
組合螺栓裝配螺栓 |
2 |
|
0320 |
37768-12801 |
蓋板支撐(B) |
1 |
|
0330 |
F1805-10020 |
組合螺栓裝配螺栓 |
3 |
|
0340 |
F2500-10000 |
平墊圈 |
2 |
|
0350 |
37725-14102 |
發電機皮帶 |
1 |
|
0360 |
F2870-10032 |
半圓鍵 |
1 |
停止手柄

|
參考號 |
零件編號名稱和描述 |
|
0010 04400 |
08901 停車電磁鐵 1 |
|
0022 F1805 |
12035 組合螺栓裝配螺栓 3 |
|
0040 37787 |
01501 停車電磁鐵支架 1 |
|
0050 37711 |
13200 墊片 1 |
|
0060 35A61 |
58301 L型接頭M6(L) 1 |
|
0070 05634 |
00610 自鎖螺母 2 |
|
0080 F2300 |
06000 螺母 1 |
|
0090 35A61 |
58401 L型接頭M6(R) 1 |
|
0100 09413 |
00600 鎖緊螺母 1 |
|
0110 05902 |
06100 接桿 1 |
|
0120 37787 |
21203 停車拉桿 1 |
|
0130 F8007 |
06200 球軸承 2 |
|
0140 F3202 |
03000 擋圈 1 |
|
0150 32561 |
18300 端板 1 |
|
0160 F1805 |
10040 組合螺栓裝配螺栓 1 |
|
0170 F2515 |
06000 彈簧墊圈 1 |
|
0190 37587 |
00900 從動件 1 |
|
0210 04400 |
09201 停車電磁鐵 1 |
|
0220 F1825 |
10025 組合螺栓裝配螺栓 3 |
|
0222 F1825 |
10025 組合螺栓裝配螺栓 3 |
|
0230 F1035 |
12030 螺栓 2 |
|
0240 05634 |
00610 自鎖螺母 1 |
|
0250 F2300 |
06000 螺母 8 |
|
0252 F2300 |
06000 螺母 8 |
|
0260 F2515 |
12000 彈簧墊圈 2 |
|
0270 37787 |
03300 停車電磁鐵支架 1 |
|
0280 47520 |
25800 停車電磁鐵板 1 |
|
0282 47520 |
25800 停車電磁鐵板 1 |
|
0300 45740 |
36500 接頭 1 |
|
0310 F1035 |
06040 螺栓 4 |
|
0312 F1035 |
06040 螺栓 4 |
|
0320 F1035 |
06020 螺栓 1 |
|
0330 F2515 |
06000 彈簧墊圈 1 |
|
0340 37587 |
00900 從動件 1 |
|
0350 47500 |
34100 橡膠緩沖件 8 |
|
0352 47500 |
34100 橡膠緩沖件 8 |
|
0360 47500 |
36700 隔圈 4 |
|
0362 47500 |
36700 隔圈 4 |
|
0370 08302 |
06000 墊圈 4 |
|
0372 08302 |
06000 墊圈 4 |
儀表和傳感器

|
參考號 |
零件編號 |
|
0020 04410 |
43410 轉速傳感器,長80 1 |
|
0060 04524 |
02230 油溫傳感器 1 |
|
0062 04524 |
02230 油溫傳感器 1 |
|
0090 04541 |
86200 油壓傳感器 1 |
|
0100 05946 |
01601 密封墊圈 2 |
|
0110 45644 |
47900 油壓表支架 1 |
|
0130 45600 |
42902 接頭 1 |
|
0140 45951 |
04024 柔性管 1 |
|
0150 45951 |
04028 柔性管 1 |
|
0160 47520 |
40702 支架 1 |
|
0170 F1035 |
10025 螺栓 2 |
|
0180 F2300 |
10000 螺母 2 |
|
0190 F1035 |
12070 螺栓 2 |
|
0200 F2515 |
10000 彈簧墊圈 2 |
|
0210 F2515 |
12000 彈簧墊圈 2 |
|
0220 F4540 |
06300 接頭 2 |
|
0230 F4560 |
06300 彎頭 1 |
|
0240 F5006 |
10000 內六角錐螺塞 3 |
|
0250 MH052 |
231 兩極接頭 1 |
|
0260 45689 |
50501 接頭 1 |
維修套件(部分-1)

|
參考號 |
零件編號名稱和描述 |
|
0100 37794 |
90270 維修墊片套件 1 |
|
0100001 04829 |
70651 空冷器墊片不表示 1 |
|
0100002 35B43 |
01500 墊片 1 |
|
0100003 05507 |
10110 O型圈不表示 5 |
|
0100004 05507 |
10200 O型圈 2 |
|
0100005 05507 |
10460 O型圈 8 |
|
0100006 05507 |
20250 O型圈 16 |
|
0100007 05946 |
00801 密封墊圈 12 |
|
0100008 05946 |
01001 密封墊圈 62 |
|
0100009 05946 |
01201 密封墊圈 46 |
|
0100010 05946 |
01401 密封墊圈 42 |
|
0100011 05946 |
01601 密封墊圈 3 |
|
0100012 05946 |
02001 密封墊圈 6 |
|
0100013 05946 |
02701 密封墊圈 4 |
|
0100014 05946 |
03601 密封墊圈 2 |
|
0100015 31275 |
74400 O型圈不表示 1 |
|
0100016 30625 |
50502 空冷器墊片不表示 1 |
|
0100017 35A30 |
00100 O型圈 8 |
|
0100018 35A32 |
30100 空冷器墊片不表示 2 |
|
0100019 32546 |
46800 墊片 5 |
|
0100020 33336 |
20500 墊片 2 |
|
0100021 33442 |
20200 墊片 2 |
|
0100022 33504 |
10300 氣門桿密封圈 48 |
|
0100023 35C36 |
02900 墊片 2 |
|
0100024 37107 |
04201 缸套O型圈 12 |
|
0100025 37107 |
04300 缸套O型圈 24 |
|
0100026 37533 |
03100 空冷器墊片 2 |
|
0100027 37432 |
14700 密封環 12 |
|
0100028 37463 |
21900 墊片 12 |
|
0100029 37501 |
12200 缸蓋墊片 12 |
|
0100030 37504 |
31200 搖臂座墊片 12 |
|
0100031 37504 |
66200 搖臂蓋罩O型圈 12 |
|
0100032 37507 |
32400 缸套O型圈 12 |
|
0100033 37507 |
16401 側蓋O型圈 12 |
|
0100034 37507 |
16501 凸輪室O型圈 12 |
|
0100035 37530 |
00200 墊片 12 |
|
0100036 37532 |
09500 空冷器墊片 12 |
|
0100037 37536 |
07911 墊片不表示 1 |
|
0100038 37546 |
23300 墊片 2 |
|
0100039 37555 |
10600 空冷器墊片 3 |
|
0100040 37561 |
16800 空冷器墊片 12 |
|
0100041 37562 |
10816 空冷器墊片 2 |
|
0100042 37711 |
01100 墊片 1 |
|
0100043 37711 |
13200 墊片不表示 2 |
|
0100044 37711 |
01200 墊片 1 |
|
0100045 37713 |
10200 油底殼墊片 1 |
|
0100046 37725 |
20600 墊片 1 |
|
0100047 37725 |
30200 墊片 1 |
|
0100048 37725 |
40400 墊片 1 |
|
0100049 37730 |
11501 墊片 4 |
維修套件(部分-1)

|
參考號 |
零件編號名稱和描述 |
|
0100050 37732 |
10900 空冷器墊片 12 |
|
0100051 37735 |
10901 O型圈 3 |
|
0100052 05946 |
03301 密封墊圈 3 |
|
0100053 37735 |
30701 墊片 1 |
|
0100054 37739 |
10200 機油冷卻器墊片 1 |
|
0100055 37739 |
22200 空冷器墊片 1 |
維修套件(部分-2)

|
參考號 |
零件編號 |
零件名稱和描述 |
數量 |
|
0100001 |
37755-20300 |
空冷器墊片 |
2 |
|
0100002 |
37775-04200 |
墊片不表示 |
1 |
|
0100003 |
37807-16200 |
墊片 |
2 |
|
0100004 |
48202-12400 |
O型圈 |
36 |
|
0100005 |
49162-51100 |
O型圈 |
2 |
|
0100006 |
49181-22600 |
O型圈 |
2 |
|
0100007 |
49181-22700 |
O型圈不表示 |
2 |
|
0100008 |
F3150-01400 |
O型圈 |
4 |
|
0100009 |
05507-10220 |
O型圈 |
14 |
|
0100010 |
05507-10260 |
O型圈 |
12 |
|
0100011 |
05507-10340 |
O型圈 |
16 |
|
0100012 |
05507-10420 |
O型圈 |
12 |
|
0100013 |
05507-10440 |
O型圈 |
1 |
|
0100014 |
37504-02300 |
O型圈 |
12 |
|
0100015 |
F3153-06000 |
O型圈 |
4 |
|
0100016 |
05505-31065 |
O型圈 |
26 |
|
0100017 |
F3153-07500 |
O型圈 |
6 |
|
0100018 |
05507-20950 |
O型圈 |
3 |
|
0100019 |
F3153-10500 |
O型圈 |
2 |
|
0100020 |
05507-21450 |
O型圈 |
2 |
|
0100021 |
F3153-17000 |
O型圈 |
1 |
|
0100022 |
37525-03600 |
O型圈 |
2 |
|
0100023 |
05507-22900 |
O型圈 |
1 |
|
0100024 |
05507-20300 |
O型圈 |
16 |
|
0100025 |
05507-20350 |
O型圈 |
33 |
|
0100026 |
05507-20400 |
O型圈 |
7 |
|
0100027 |
05507-20450 |
O型圈 |
3 |
|
0100028 |
05507-20500 |
O型圈 |
6 |
|
0100029 |
05507-20600 |
O型圈 |
9 |
|
0100030 |
05507-20650 |
O型圈 |
2 |
|
0100031 |
05507-20750 |
O型圈 |
2 |
|
0100032 |
05507-20800 |
O型圈 |
8 |
|
0100033 |
05507-20850 |
O型圈 |
1 |
|
0100034 |
05507-21250 |
O型圈 |
2 |
|
0100035 |
05507-21600 |
O型圈 |
1 |
|
0100036 |
F4202-14000 |
空冷器墊片不表示 |
12 |
|
0100037 |
F4202-27000 |
空冷器墊片不表示 |
6 |
|
0100038 |
MH035067 |
空冷器墊片 |
1 |
|
0100039 |
05507-10140 |
O型圈 |
16 |
|
0100040 |
MH035093 |
O型圈 |
3 |
|
0100041 |
32532-01700 |
墊片 |
24 |
|
0100042 |
37707-17200 |
墊片不表示 |
1 |
|
0100043 |
05507-10360 |
O型圈 |
2 |
|
0100044 |
37740-50315 |
墊片 |
1 |
|
0100045 |
37594-01300 |
粘結劑 |
1 |
|
0100046 |
05507-10100 |
O型圈不表示 |
4 |
|
0100047 |
F3150-07000 |
O型圈 |
1 |
|
0100048 |
05507-21900 |
O型圈 |
1 |
|
0100049 |
37730-06501 |
墊片不表示 |
1 |
|
0100050 |
05505-57060 |
O型圈 |
2 |
零件序號索引
|
零件號 |
組號 |
頁碼 |
參考號 |
零件號 |
組號 |
頁碼 |
參考號 |
|
MC802 |
397 040 5 0170 |
MC802 |
|||||
|
ME064 |
526 390 75 0010007 |
ME064 |
|||||
|
ME150 |
442 390 75 0010004 |
ME150 |
|||||
|
MH000 |
183 400 |
01 77 0050 |
MH000 |
||||
|
MH000 |
184 400 |
01 77 0060 |
MH000 |
||||
|
MH000 |
854 040 5 0210 |
MH000 |
|||||
|
MH035067 940 |
02 157 0100038 |
MH035067 940 |
|||||
|
MH035093 940 |
02 157 0100040 |
MH035093 940 |
|||||
|
MH035 |
093 390 75 0010001 |
MH035 |
|||||
|
MH035 |
626 390 75 0010005 |
MH035 |
|||||
|
MH052 |
231 901 147 0250 |
MH052 |
|||||
|
00426 |
15011 463 97 0190 |
00426 |
|||||
|
00665 |
02048 330 |
02 63 0050019 |
00665 |
||||
|
00665 |
02048 330 |
03 65 0050019 |
00665 |
||||
|
00665 |
02048 610 |
03 107 6200 |
00665 |
||||
|
00665 |
02048 610 |
05 113 6200 |
00665 |
||||
|
00665 |
04048 930 151 0020 |
00665 |
|||||
|
02973 |
14570 610 |
07 117 6100015 |
02973 |
||||
|
04245 |
00120 610 |
03 107 6100 |
04245 |
||||
|
04245 |
00120 610 |
05 113 6100 |
04245 |
||||
|
04245 |
00120 610 |
07 117 6100 |
04245 |
||||
|
04343 |
38000 680 141 0030 |
04343 |
|||||
|
04393 |
33820 463 97 0010 |
04393 |
|||||
|
04400 |
08901 875 145 0010 |
04400 |
|||||
|
04400 |
09201 875 145 0210 |
04400 |
|||||
|
04410 |
32011 630 137 0120 |
04410 |
|||||
|
04410 |
32902 630 137 0010 |
04410 |
|||||
|
04410 |
33100 630 137 0020 |
04410 |
|||||
|
04410 |
43410 630 137 0130 |
04410 |
|||||
|
04410 |
43410 901 147 0020 |
04410 |
|||||
|
04410 |
43500 630 137 0050 |
04410 |
|||||
|
04442 |
30210 463 97 0290 |
04442 |
|||||
|
04442 |
34500 902 149 0010 |
04442 |
|||||
|
04442 |
45400 902 149 0020 |
04442 |
|||||
|
04524 |
02230 901 147 0060 |
04524 |
|||||
|
04524 |
02230 901 147 0062 |
04524 |
|||||
|
04541 |
86200 901 147 0090 |
04541 |
|||||
|
04826 |
21000 040 5 0130009 |
04826 |
|||||
|
04826 |
21000 610 |
03 105 2860 |
04826 |
||||
|
04826 |
21000 610 |
05 111 2860 |
04826 |
, | |||
|
04826 |
21400 250 37 0040 |
04826 |
|||||
|
04826 |
22200 330 |
01 61 0260 |
04826 |
||||
|
04826 |
22500 010 3 0060003 |
04826 |
|||||
|
04826 |
22800 010 3 0060005 |
04826 |
|||||
|
04826 |
25000 250 37 0020002 |
04826 |
|||||
|
04826 |
40032 461 |
02 93 0400 |
04826 |
||||
|
04827 |
71000 010 3 0060002 |
04827 |
|||||
|
04827 |
71300 070 |
01 9 0240 |
04827 |
||||
|
04827 |
71300 070 |
01 9 0250 |
04827 |
||||
|
04827 |
71300 253 43 0190 |
04827 |