康明斯B3.9、B4.5、B4.5 RGT 和 B5.9發動機機油泵安裝

注意
為了減少發動機損壞的可能性,確保在缸體的定位孔內安裝了惰輪銷。
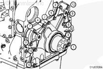
安裝康明斯機油泵。
注: 如果安裝新的機油泵,確保此機油泵適合于您的發動機。例如,4 缸和 6 缸發動機的機油泵從外形上看是可互換的,但是它們具有不同的流動特性。

按照所示的下列次序擰緊螺栓。
初始扭矩
扭矩值: 8 n.m [70 in-lb]
最終扭矩
扭矩值: 24 n.m [212 in-lb]

注: 泵上的背板就座時抵在缸體孔底部。當機油泵安裝正確時,機油泵的凸緣不會接觸到缸體。

注: 如果安裝新的機油泵,確保齒輪的側隙正確。
使用量規(零件號 3824564)和磁性底座(零件號 3377399)測量機油泵驅動齒輪側隙。
注: 對于后齒輪系發動機和前齒輪系發動機,機油泵驅動齒輪側隙極限值不同。后齒輪系發動機采用一個帶有直交齒輪的機油泵,而前齒輪系發動機采用一個帶有斜交齒輪的機油泵。
注: 測量側隙時如果相鄰的齒輪移動,讀數就不正確。

注: 如果要安裝舊泵,并且已經測量了側隙,則無需完成此步驟。

注: 如果安裝新的機油泵,確保齒輪的側隙正確。
使用量規(零件號 3824564)和磁性底座(零件號 3377399)測量康明斯機油泵齒輪側隙。

注: 對于康明斯后齒輪系發動機和前齒輪系發動機,機油泵惰輪齒輪側隙極限值不同。后齒輪系發動機采用一個帶有直交齒輪的機油泵,而前齒輪系發動機采用一個帶有斜交齒輪的機油泵。
注: 測量側隙時如果相鄰的齒輪移動,讀數就不正確。

注: 如果要安裝舊泵,并且已經測量了側隙,則無需完成此步驟。
康明斯B3.9、B4.5、B4.5 RGT 和 B5.9 發動機前齒輪室蓋安裝
TOC
注: 安裝三個導向銷(零件號 3164977)以改進前蓋和前油封與齒輪室和曲軸的對準情況。
按照圖示軌跡,在前齒輪室蓋的缸體側涂敷一條寬為 1.5 至 2.0 mm [0.06 至 0.08 in] 的密封膠條(零件號 3164070)。
在前齒輪室蓋內配備機油壓力傳感器/開關的發動機上,必須遵照下面兩個關鍵的密封膠軌跡:
1. 在此區域中,密封膠必須涂在前齒輪室蓋的外邊緣,以避開缸體上未使用的安裝孔。
注: 為了確保缸體上未使用的安裝孔不受密封連接點的影響,在安裝孔中填充密封膠(零件號 3164070)。
2. 密封膠必須涂在前齒輪室蓋中安裝孔位置和機油供油孔的周圍。
注: 在涂上密封膠后的 10 分鐘內安裝前齒輪室蓋,否則密封膠不能正確密封。一旦安裝,讓密封膠干燥 30 分鐘后再運轉發動機。

使用環形定位銷來放置前齒輪室蓋,將康明斯前齒輪室蓋安裝到缸體上。
用安裝螺栓在缸體上安裝前齒輪室蓋。按指示的順序將前齒輪室蓋至缸體安裝螺栓。
扭矩值: 24 n.m [212 in-lb]

康明斯B3.9、B4.5、B4.5 RGT 和 B5.9 發動機前齒輪
在安裝康明斯B3.9、B4.5、B4.5 RGT 和 B5.9 發動機前齒輪室蓋以前,將新的曲軸前油封裝到前齒輪室蓋中。參考第 1 節中的步驟 001-023。
將塑料導向安裝工具留在曲軸前油封中。

注意
曲軸上的密封唇和密封表面不得殘留機油,以防止油封泄漏。
沖壓鋼齒輪室蓋 - 在前蓋的密封表面上涂抹一薄層密封膠(零件號 3164070)。
注: 此時不要拆下曲軸前油封中的塑料油封導向工具。使用塑料油封導向工具引導曲軸上的油封。
注: 在涂上密封膠后的 10 分鐘內安裝前齒輪室蓋,否則密封膠不能正確密封。一旦安裝,讓密封膠干燥 30 分鐘后再運轉發動機。
鑄鋁齒輪室蓋 - 將密封墊(零件號 3918673)置于齒輪室蓋與齒輪室之間。
用塑料油封導向工具將曲軸前油封引導到曲軸上,將前齒輪室蓋安裝到發動機上。

安裝并擰緊康明斯前齒輪室蓋螺栓。
扭矩值: 24 n.m [212 in-lb]
從康明斯B3.9、B4.5、B4.5 RGT 和 B5.9 發動機曲軸上拆下塑料導向工具。

如果以前安裝過或如果發動機在多塵環境中運行,安裝防塵罩。
防塵罩不需要導向工具。將防塵罩滑到曲軸前端上。

康明斯B3.9、B4.5、B4.5 RGT 和 B5.9 發動機曲軸前油封安裝 TOC
對于康明斯B3.9、B4.5、B4.5 RGT 和 B5.9 發動機前齒輪系發動機,前齒輪室蓋拆卸后才能安裝曲軸前油封。曲軸前油封安裝在康明斯發動機前齒輪室蓋內。

使用工具(零件號 3164659)將油封裝入前齒輪室蓋。
將拆裝器螺釘總成 (1) 安裝在曲軸前端。
安裝兩個 M12 x 1.25 x 60 mm 內六角頭螺栓 (3)。

注意
不得使用沖擊扳手或氣動工具。這樣做會損壞工具。
將新的康明斯B3.9、B4.5、B4.5 RGT 和 B5.9 發動機曲軸前油封置于曲軸前端,用手朝著前齒輪室蓋的方向將其盡可能地滑到最遠處。
注: 確保油封與曲軸呈直角。
在固定拆裝器螺釘的同時,將曲軸油封拆裝器 (2) 安裝在拆裝器螺釘總成上。
順時針旋轉曲軸油封拆裝器將其推向油封,直到抵住油封。

注意 曲軸油封拆裝器與前蓋接觸后不要過度擰緊拆裝器螺釘總成。這樣做會損壞工具。
在固定康明斯B3.9、B4.5、B4.5 RGT 和 B5.9 發動機曲軸油封拆裝器的同時,逆時針旋轉拆裝器螺釘直到曲軸油封拆裝器接觸到前齒輪室蓋。
拆卸維修工具。
康明斯B3.9、B4.5、B4.5 RGT 和 B5.9 發動機粘性減振器安裝 TOC
注: B 系列發動機的曲軸皮帶輪和減振器有兩種配置。確定使用的配置,采取本操作中適用的步驟。
整體式皮帶輪/減振器
安裝康明斯B3.9、B4.5、B4.5 RGT 和 B5.9 發動機曲軸減振器。
安裝并擰緊曲軸皮帶輪/減振器螺栓。
扭矩值: 125 n.m [92 ft-lb]

兩片式皮帶輪/減振器
安裝減振器。
安裝并擰緊減振器螺栓。
扭矩值: 200 n.m [148 ft-lb]
安裝康明斯B3.9、B4.5、B4.5 RGT 和 B5.9 發動機曲軸皮帶輪。
安裝并擰緊曲軸皮帶輪螺栓。
扭矩值: 77 n.m [57 ft-lb]

使用清潔的機油潤滑螺栓。
安裝減振器。
對于康明斯B3.9、B4.5、B4.5 RGT 和 B5.9 發動機后齒輪系發動機,交叉擰緊減振器的 6 個螺栓。


康明斯QSM11發動機解剖圖,康明斯發動機停車水箱反水,兩臺發電機并聯條件,柴油發動機高速時聲音啪啪的響,康明斯高壓共軌柴油機檢測維修,柴油機回油管壓力不足,柴油發電機 自啟動 電路圖。