
Perkins4016/4012/4008/4006柴油發動機潤滑系統概述(潤滑系統)
Perkins4016柴油發動機潤滑系統
概述(潤滑系統)
出現下列問題通常表明發動機潤滑系統有故障。
•發動機機油損耗量過多
•發動機機油壓力低
•發動機機油壓力高
Perkins4016柴油發動機向機油泵充油并調整機油壓力
1確保發動機油座殼加注正確級別的機油并且加注了正確的油量。
2將調速器操縱桿置于停止位置時轉動發動機使機油壓力為40 kPa。
3檢查集油槽和機油管路是否泄漏。
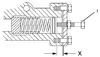
4調整螺釘(1)i設匿為17 mm(0 67In) (A)。擰緊螺釘。有關正確的步驟請參閱《折解和蛆裝》 “發動機機油安全閥拆卸和安裝“。
5運轉發動機。檢查確認發動機機油壓力在207至414 kPa C30至60ps.)之間。
6運轉發動機使發動機熱機。水溫應在65至75度之間。檢查額定轉速下的發動機機油壓力。發動機機油壓力應為345 kPa (50 psi)。如果發動機機油壓力高于345 kPa (50 psi)或低于345 kPa <50 psi)可通過調整發動機機油安全閥調整壓力。順時針旋轉調節螺釘上的鎖緊螺母以增大發動機機油壓力。逆時針旋轉調節螺釘上的鎖緊螺母以減小發動機機油壓力。
Perkins4016柴油發動機機油壓力一測試
1確保用正確的發動機機油糟發動機加注到正確的油位。更多信息請參閱《撮作和保養手冊》 “加注容量”以及《操作和保養手冊》
壓力測試位置(1)
2捋工具(A)連接至發動機機油濾清器殼體上的位置 (1)。
3運轉發動機。當發動機機油達到99。C (210。F)的溫度時,讀取壓力表上的讀數并記錄壓力。
4請參閱表9以確定發動機機油壓力是否可以接受。
如果發動機機油壓力偏低確定原因并排除狀況。否則可能導致發動機故障或發動機使用壽命降低。
5將記錄的發動機機油壓力與儀表板上的發動機機油壓力表讀數進行比較。發動機機油壓力表故障或傳感器故障可能提供發動機機油壓力過低或發動機機油壓力偏高的錯誤指示。如果在這些發動機機油壓力讀數之間有明顯的差異確定原因。
注:發動機機油壓力的記錄可用作發動機可能出現問題或發生損壞的指示。發動機機油壓力突然變化70 kPa (10 poI)可能表明存在故障。拉查發動機并排除故障。
Perkins4016柴油發動機軸瓦過度磨損一檢查
發動機的某些部件短期內顯示軸瓦磨損時其原因可能是機油通道阻塞。機油壓力表可能顯示機油壓力足夠大但是某一部件因缺乏潤滑而磨損。在這種情況下應查看向該部件供油的通道。機油油道的阻塞會阻礙部件得到足夠的潤滑。這樣會造成部件的早期磨損。
Perkins4016柴油發動機機油消耗量過多一檢查
Perkins4016柴油發動機外部的發動機機油漏油
檢查曲軸兩端的油封是否漏油。查看發動機油底殼密封墊和所有潤滑系統接頭有無漏油。查看曲軸箱通氣裝置是否有任何漏油。這可能是由于燃燒氣體從活塞周圍的滲出導致的。骯臟的曲軸箱通氣裝置會造成曲軸箱壓力高。骯臟的曲軸箱通氣裝置出去導致密封墊和密封滲漏。
Perkins發動機機油漏進氣缸的燃燒區域
發動機機油漏進氣缸的燃燒區域會造成排氣冒藍煙。機油可能通過四種途經流入氣缸的燃燒區域
•通過磨損的氣門導管和氣門桿之間漏入
•磨損或損壞的部件與活塞活塞環或油環槽內骯臟的發動機機油回油孔
•壓縮環或中間環安裝不正確
•通過渦輪增壓器軸的密封環流入
•曲軸箱機油加注過滿
•錯誤的油尺或油尺導引管
•發動機長時間輕負荷運轉
如果使用的發動機機油粘度不對也會造成發動機機油消耗量過多。
Perkins4016柴油發動機機油溫度升高一檢查
如果發動機機油蓋度高于正常值可能是因發動機機油冷卻器阻塞造成的。查找發動機機油冷卻器內的機油油道是否阻塞。發動機機油壓力不一定會因發動機機油冷卻器出現阻塞而降低。確保冷卻系統工作正常。發動機機油冷卻器內冷卻液溫度高會造成發動機機油溫度高。
Perkins柴油發動機機油壓力低
注意:保持所有零件清潔無雜質。雜質會造成快速磨損和縮短部件壽命。
注意:在檢驗、保養、測試、調整與維修產品時務必小心,確保液體盛裝在容器中。在打開任何腔室或拆解任何儲有液體的部件之前,要準備好用合適的容器收集液體。按照本地法規和指令處置所有液體。
下述情況會導致出現發動機機油壓力低的指示
•發動機機油油位低
•發動機機油壓力表有問題
•發動機機油污染
•發動機機油循環不正常
•部件磨損
Perkins柴油發動機機油油位低
檢查發動機機油油位。如果發動機機油油位盤過低于吸油管,發動機機油泵就無法向發動機部件提供足夠的潤滑。如果發動機機油油位低的話添加機油以便達到正確的油位。關于應使用的正確的發動機機油請參閱《操作和保養手冊》“再加注容量’以及《操作和保養手冊》“油液建議”。
Perkins4016柴油發動機機油壓力表
請參閱《測試與調整》“發動機機油壓力測試”。如果發動機機油壓力表不正確,安裝新的壓力表。
Perkins柴油發動機機油污染
發動機機油被另種液體污染將會導致發動機機油壓力低。發動機機油油位高可能說明機油受到污染。應確定發動機機油受污染的起因并進行必要的修理。更換發動機機油和發動機機油濾著器。關于應使用的正確的發動機機油,請參閱《操作和保養手冊》油液建議。
Perkins柴油發動機機油循環不正常
以下幾個因素可能引起發動機機油循環不正常.
•發動機機油濾清器墻塞。更換發動機機油濾清器。
•某發動機機油油管或油道被斷開或自現斷裂。更換油管或清潔油道。
•發動機機油冶卻器阻塞。徹底清潔發動機機油冷卻器。
•活塞冷卻噴嘴出現問題。活塞冷卻噴嘴蔣發動機機油對準活塞底部噴射以便冷卻活塞。同時也為活塞銷提供潤滑。斷裂阻塞或安裝不正碼的活塞冷卻噴嘴都會導致活塞咬缸。
•機油泵吸油管的進口濾網可能會有阻塞。該阻塞會導致氣穴的形成和機油壓力降低。檢查吸油管內的進口濾網清除所有可能阻塞發動機機油流動的物質。
•吸油管吸入空氣。檢查吸油管的接合處有無裂紋或損壞的o形密封圈。
•發動機機油泵有間隙。檢查發動機機油泵齒輪是否過度磨損。發動機機油泵齒輪磨損過多時發動機機油壓力就會下降。
注意:珀金斯機油濾清器是按照珀金斯技術參融制造的。使用未經珀金斯推薦的機油濾清器會使發動機的軸承、曲軸等嚴重損壞、結果致使未經過濾的機油中大量的廢物粒子進入發動機的潤滑系統。只能使用珀金斯推薦的機油濾清器。
Perkins柴油發動機磨損的部件
曲軸或凸輪軸軸瓦的間隙過大都會造成發動機機油壓力低。同時也要檢查搖臂軸和搖臂之間的間隙。檢查發動機部件是否間隙過大。
Perkins柴油發動機機油壓力高
注意:保持所有零件清潔無雜質。雜質會造成快速磨損與縮短部件壽命。
如果發動機進油旁通閥卡在關閉位置,同時發動機機油流動受阻的話發動機機油壓力就會升高。發動機機油系統有異物可能造成機油流動和發動機進油旁強閥的移動受阻。如果發動機機油旁強閥卡在關閉位置應折下并清潔每個發動機機油壓力旁通閥,以便修正問題。您必需同時清潔每個旁通閥孔。安裝新發動機機油濾清器。新發動機機油濾清器將防止更多碎屑導致此婁問題。有關修理發動機機油濾清器旁通閥的信息請參閱《拆解和組裝》。
注意:珀金斯機油濾著器是按照珀金斯技術參數制造的。使用未經珀金斯推薦的機油濾清器會使發動機的軸承、曲軸等嚴重損壞,結果致使未經過濾的機油中大量的廢物粒子進入發動機的潤滑系統。只能使用珀金斯推薦的機油濾清器。
T he lubrication system of TRG Perkins4016-61 (industrial diesel engine lubrication system)
Important safety instructions
Perkins products operation, maintenance and repair of the most accidents, are caused by not Cui Shou basic safety rules or preventive measures. If you can recognize the various potential risk before the accident, the accident is often avoided. The risk potential, must be warned about the working personnel. Must also be for staff training. To acquire the necessary skills and normal use of tools.
Incorrect operation, small sliding, maintenance or repair the product is dangerous, and can cause personal injury.
You must read and understand the product operation, lubrication, maintenance and repair information, to carry out the work.
In this manual and in the product is provided with safety precautions and warnings. If not pay attention to will cause personal injury to themselves or others to these warnings.
Hazard identification with "safety warning symbols" and "text", such as "dangerous", "warning" or "be careful". "Warning" stickers are shown as follows
Lubrication system of diesel engine Perkins4016
Overview (lubrication system)
The following issues usually indicates engine lubrication system failure.
• loss of engine oil consumption is too much
• low engine oil pressure
The high oil pressure, engine
Perkins4016 diesel engine to pump oil filled and adjust the oil pressure
1 to ensure that the engine oil seat shell filling the correct level of oil and add the right amount of oil.
2 the governor lever in the stop position, rotate the engine oil pressure is 40 kPa.
3 check the oil collecting groove and oil pipeline leakage.
4 adjusting screws (1) I and 17 mm (0 67In) (A). Tighten the screws. The correct procedure please refer to "dismantle and maggots installed" safety valve "engine oil removing and installing".
The 5 running engine. Check the engine oil pressure at 207 to 414 kPa C30 to 60ps.).
The 6 running the engine so that the engine engine. The water temperature should be between 65 to 75 degrees. Engine oil pressure check under the rated speed. Engine oil pressure should be 345 kPa (50 psi). If the engine oil pressure is higher than 345 kPa (50 psi) or less than 345 kPa <50 psi) by adjusting the engine oil pressure safety valve adjustment. Clockwise rotation of adjusting screw lock nut to increase the engine oil pressure. Counterclockwise rotation adjusting lock nut screws to reduce the engine oil pressure.
Perkins4016 diesel engine oil pressure test
1 to ensure that the correct the engine oil engine filling to the correct level. For more information please refer to the "pinch and maintenance manual" "filling capacity" and "operation and maintenance manual"
Pressure test location (1)
2 stroke tool (A) is connected to the engine oil filter housing location (1).
The 3 running engine. When the engine oil to reach 99. C (210. When the temperature of F), read the pressure readings and record the pressure.
4 see Table 9 to determine the engine oil pressure is acceptable.
If the engine oil pressure is low to identify the causes and to remove. Otherwise it may lead to reduced engine failure or engine life.
5 records the engine oil pressure and the instrument panel. The engine oil pressure gauge readings are compared. Engine oil pressure gauge failure or sensor failures may provide the engine oil pressure is too low or high engine oil pressure error indication. If between the engine oil pressure readings have obvious differences determine the cause.
Note: the engine oil pressure records available for engine problems may arise or damage indicator. Engine oil pressure suddenly changes of 70 kPa (10 poI) may indicate the presence of faults. Pull to check the engine and troubleshooting.
Perkins4016 diesel engine bearing excessive wear a check
Certain parts of the engine display bearing wear is probably because the oil passage is blocked in the short term. Oil pressure gauge can display the oil pressure is large enough but a component due to lack of lubrication and wear. Check the fuel supply to the member's channel in this case. Blocking oil road will hinder parts get enough lubrication. Early wear this will cause parts.
Perkins4016 diesel engine oil consumption of a check
Perkins4016 diesel engine external engine oil spill
Seal check crankshaft at both ends of the oil spill. Check the engine oil pan gasket and all joints have no oil lubrication system. View the crankcase ventilation device if there is any oil leakage. This is probably because of the combustion gases from around the piston effusion. The crankcase ventilation device dirty will cause the crankcase pressure high. The crankcase ventilation device dirty out lead seals and seal leakage.
The Perkins engine oil leakage into the cylinder combustion region
The engine oil leakage into the cylinder combustion region will cause the exhaust take the blue smoke. The oil may be four via the combustion zone into the cylinder
• the wear of the valve guide and valve stem leakage into the
• worn or damaged parts of piston ring and piston ring groove or oil dirty engine oil return hole
• compression ring or the middle ring is not installed properly
• the turbocharger shaft sealing ring into the
• the crankcase oil filling capacity
• the wrong oil dipstick or oil dipstick guide tube
• engine long time light load operation
If the use of engine oil viscosity does not will cause too much engine oil consumption.
Perkins4016 diesel engine oil temperature rise test
If the engine oil is higher than that of the normal value of coverage may be due to obstruction caused by the engine oil cooler. Check