約翰迪爾6059柴油機水泵總成套件R56461水泵墊片R56809強鹿水泵皮帶輪R124585配件
寧波日昕動力科技有限公司建立了一套完整的約翰迪爾6059柴油機水泵總成套件R56461水泵墊片R56809強鹿水泵皮帶輪R124585配件供應體系,全天候快速響應,服務請至電15580888444(微信同號)
約翰迪爾柴油機水泵,404MM(15.9“)代碼2005 UAE泵,404MM(15.9“)代碼2005 WASSERPUMP,404MM(15.9“)代碼2005
水泵,404MM(15.9“)代碼2005 AGUA BOMBA,404MM(15.9“)CODIGO 2005 VATTENPUMP,404MM(15.9“)代碼2005,水泵套件
泵A EAU,JEU維修WASSERPUMP,TEILESATZ
水泵,系列件BOMBA DE AGUA,JUEGO VATTENPUMP,SATS,
約翰迪爾柴油機進氣和排氣系統維修
和調整
延長渦輪增壓器壽命。02-080-1
拆下渦輪增壓器。02-080-3
渦輪增壓器故障分析。02-080-4
渦輪增壓器檢查。02-080-6
修理渦輪增壓器。02-080-12
預潤滑渦輪增壓器02-080-12
安裝渦輪增壓器。02-080-13
拆卸、檢查和安裝排氣管
歧管02-080-15
拆卸、檢查和安裝進氣口
歧管(6081T和6081H發動機)。02-080-17
拆下垂直安裝的后冷器
和進氣歧管(6081A發動機)。02-080-18
拆卸和拆解
水平安裝的后冷器(6081A
發動機)。02-080-19
檢查并修理后冷器(6081A
發動機)。02-080-20
檢查和修理進氣歧管和
進氣蓋(6081A發動機)。02-080-21
安裝進氣歧管和
垂直安裝的后冷器(6081A
發動機)。02-080-22
組裝并安裝水平安裝的
后冷器總成(6081A發動機)。02-080-25
空氣加熱器的維修(如有配備)。02-080-26

約翰迪爾強鹿發動機配件供貨R108612襯墊,約翰迪爾強鹿發動機配件供貨R500472節溫器呂罩蓋,約翰迪爾強鹿發動機配件供貨R527625排氣管支架,約翰迪爾強鹿發動機配件供貨R501124螺栓,德爾福28437695噴油器,云內噴油器28437695,DELPHI28437695噴油器,壓力傳感器0281002405,博世0281002405傳感器,依維柯500372234,博世進氣壓力傳感器0281002743,BOSCH博0281002743傳感器,DEUTZ道依茨進氣壓力傳感器04213838,VOE沃爾沃20524936傳感器,博世壓力DRV閥0281006015,高壓力0281006015DRV,博世0414673999單體泵,BOSCH0414673999共軌泵,博世單體泵,博世0414673998單體泵,BOSCH0414673998共軌泵,博世單體泵,約翰迪爾強鹿發動機配件AL210180尾燈,約翰迪爾強鹿發動機配件DZ117588 RE66153輸油泵,約翰迪爾發動機配件供貨RE530194 RE524039油泵套件,約翰迪爾強鹿發動機配件AA76374傳感器,約約翰迪爾強鹿發動機配件RE272374軸承,約翰迪爾強鹿發動機配件RE38725密封圈,約翰迪爾強鹿發動機配件R238655帶帽螺栓,約翰迪爾強鹿發動機配件SJ314512過濾器,約翰迪爾強鹿發動機配件RE530800噴油泵,約翰迪爾強鹿發動機配件L202151彈簧銷,約翰迪爾強鹿發動機配件L202150 AL214096 F686638管,AT405846風扇傳動電機含AT393256 AT370048 AT393253 AT404816,約翰迪爾強鹿發動機配件AT405846液壓馬達含AT370048,約翰迪爾強鹿發動機配件AT405846液壓馬達含AT393256閥,
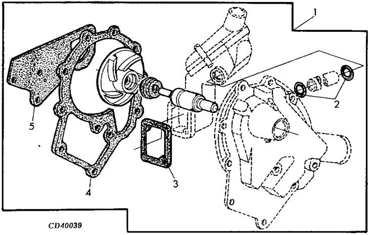
1臺RE61065水泵1 X X(標記為R90783)
2個R124585皮帶輪1 X X
3個15H584管塞1 X 1/2“
4個R48993管2 X X ID 16MM
5個R56809墊片1 X X
6 R56811蓋1 X TK 7MM
7 19H2633帶帽螺釘4 X 3/8“X 1-1/2”
8 19H3031帶帽螺釘2 X X 3/8“X 2-1/2”
9 19H1765帶帽螺釘2 X 3/8“X 1-3/4”
10 19H1726帶帽螺釘1 X X 3/8“X 2-1/4”
11 14H1076螺母1 X 3/8“
12 19H2458帶帽螺釘1 X 3/8“X 3”
13 T20243墊片1 X X
1.
2 RE70143
R56461套件
O形圈配置總成
2 X
X X帶鑄鐵葉輪,(RE62660用SUB)
十、
3個R54641墊片1 X X
4個R56809墊片1 X X
5 T20243墊片1 X X